• Produkter
  • Branscher
  • IIoT och lösningar
  • Tjänster
  • Företag
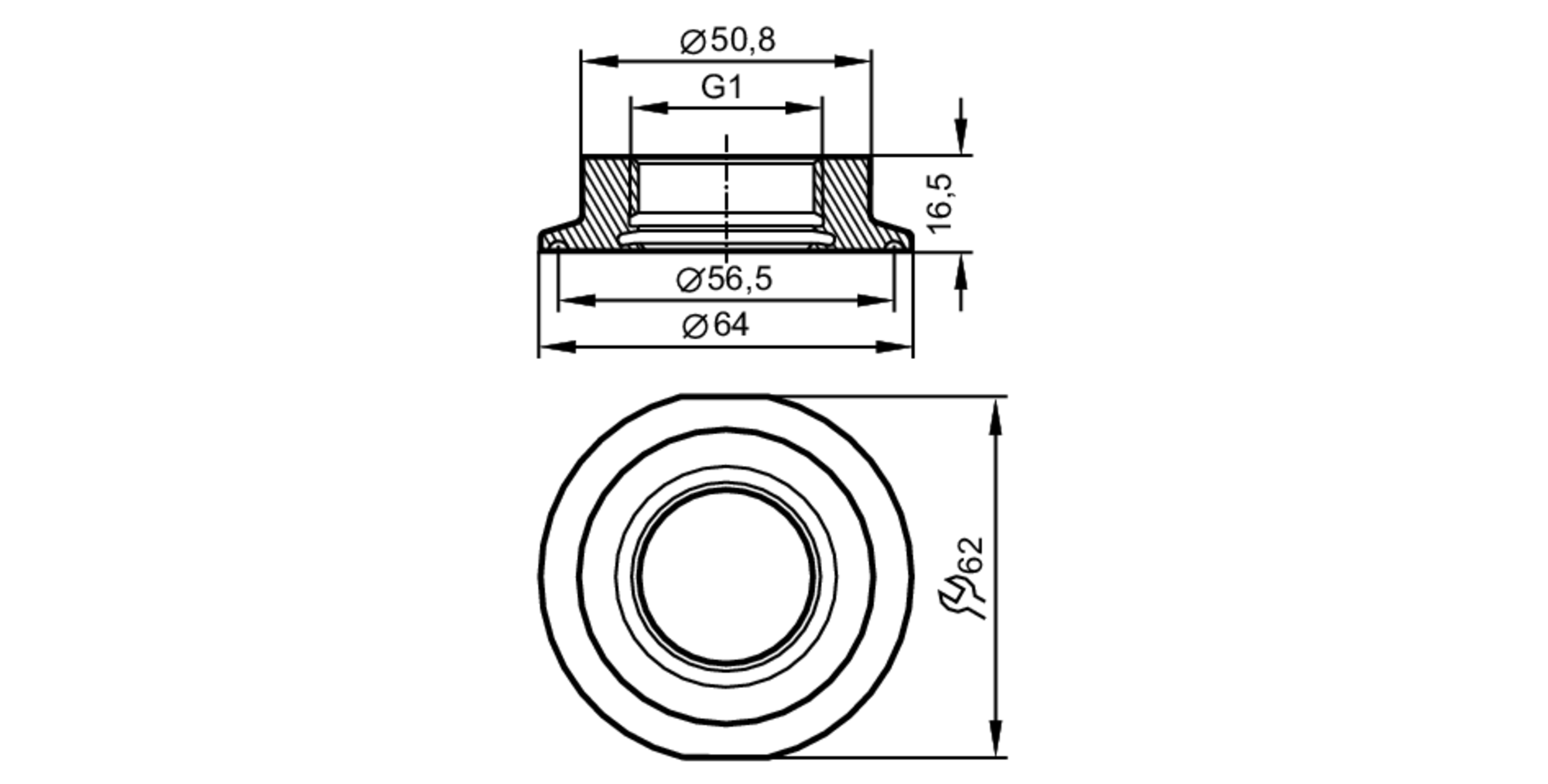
  1. Produkter
  2. Tillbehör
  3. Adaptrar, processanslutning
  4. Mounting Adapter
  5. E33202