• Produkter
  • Branscher
  • IIoT och lösningar
  • Tjänster
  • Företag
  1. Produkter
  2. Tillbehör
  3. Adaptrar, processanslutning
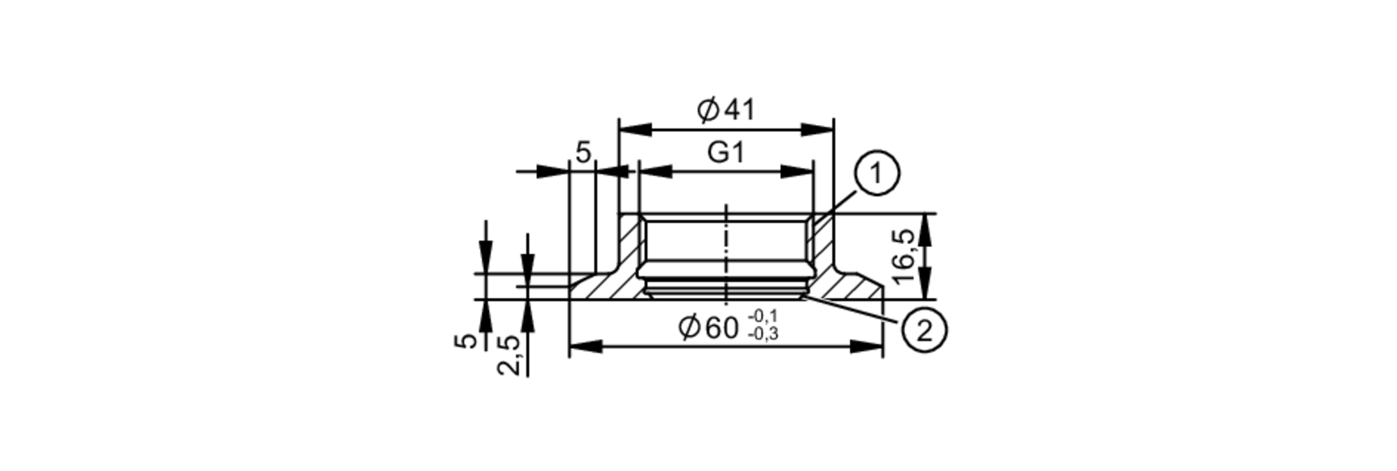
  4. Svetsadapter
  5. E30150