Vyhledávání
SK
Výrobky
Odvětví
IIoT & Solutions
Servis
Společnost
Produkty
Senzory
Senzory proudění
Systémy pro měření spotřeby stlačeného vzduchu a průmyslových plynů
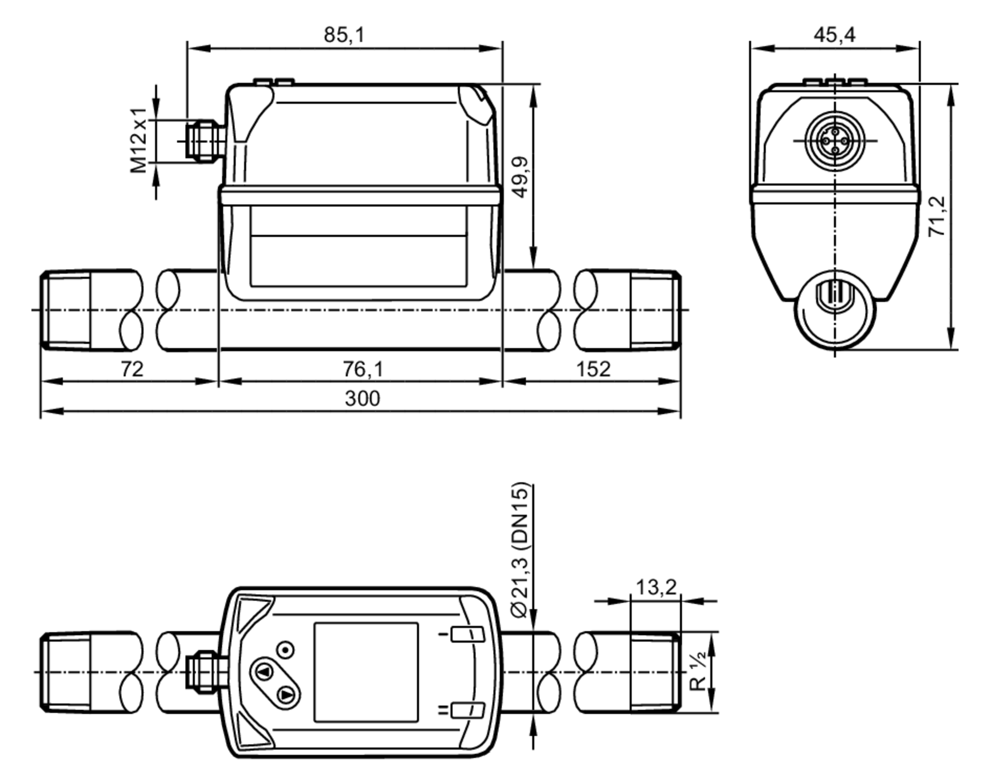
SD6500