Vyhledávání
SK
Výrobky
Odvětví
IIoT & Solutions
Servis
Společnost
Produkty
Příslušenství
Adaptéry, procesní připojení
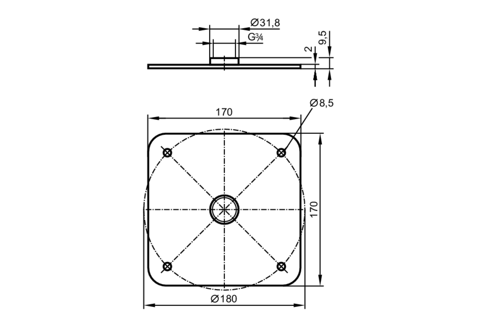
Přírubové desky pro hladinové senzory
E43380