• Výrobky
  • Odvětví
  • IIoT & Solutions
  • Servis
  • Společnost
  1. Produkty
  2. Napěťové napájení
  3. Pojistky
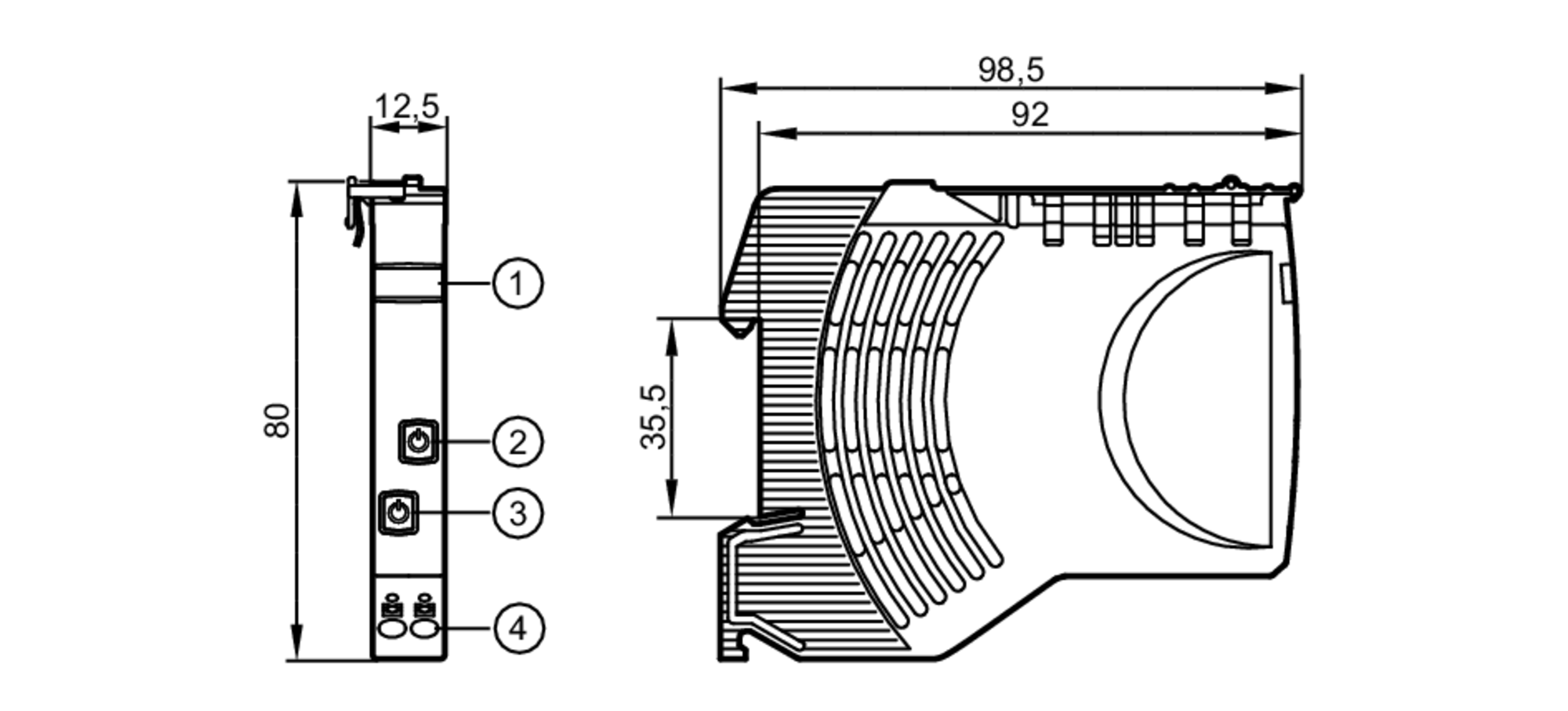
  4. DF2220