Buscar
MX
Productos
Industrias
IIoT y soluciones
Servicios
Empresa
Productos
Sensores
Sensores de caudal / caudalímetros
Sistemas para medición del consumo de aire comprimido y gas industrial
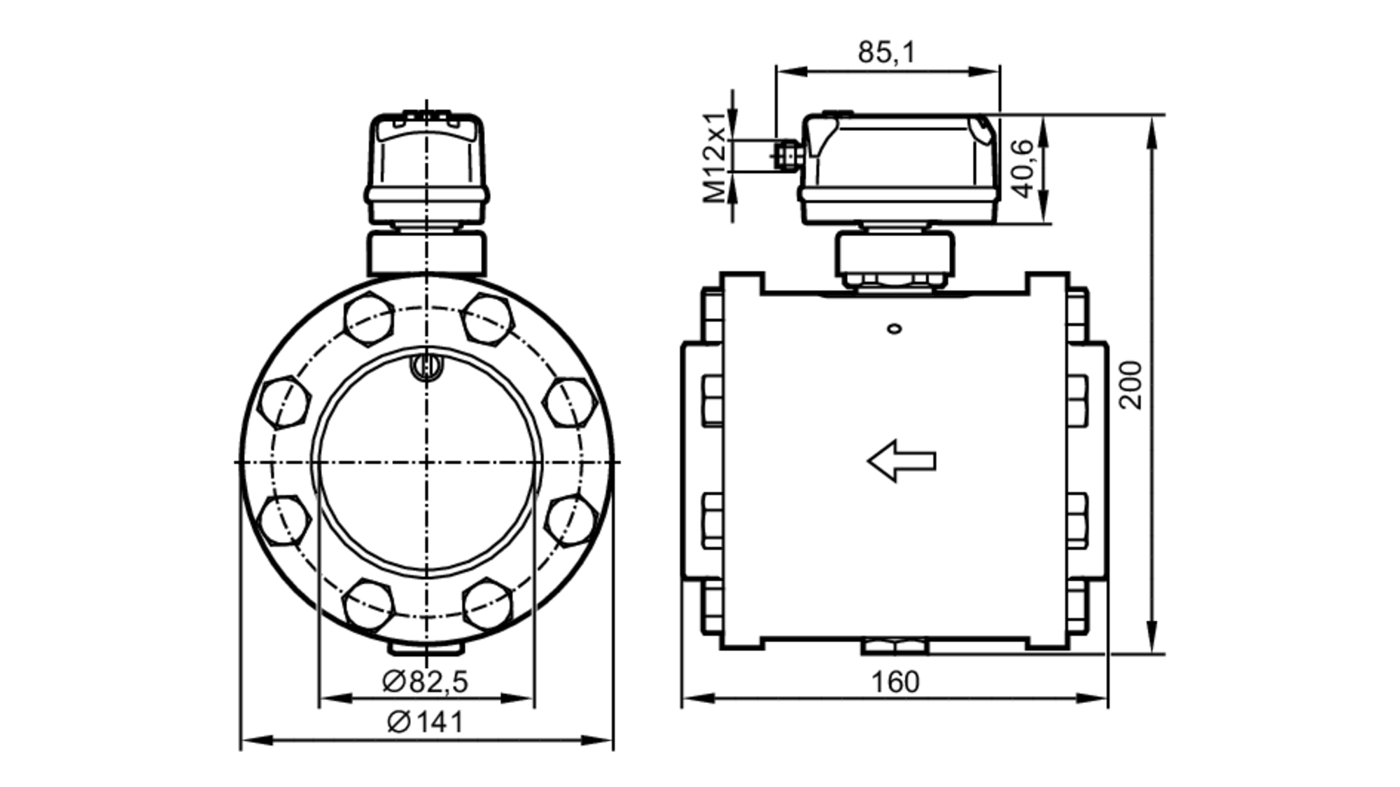
SDG450