• 製品
  • 産業別
  • IIoTソリューション
  • サービス
  • 会社案内
  1. 製品
  2. アクセサリ
  3. 取付・固定用アクセサリ
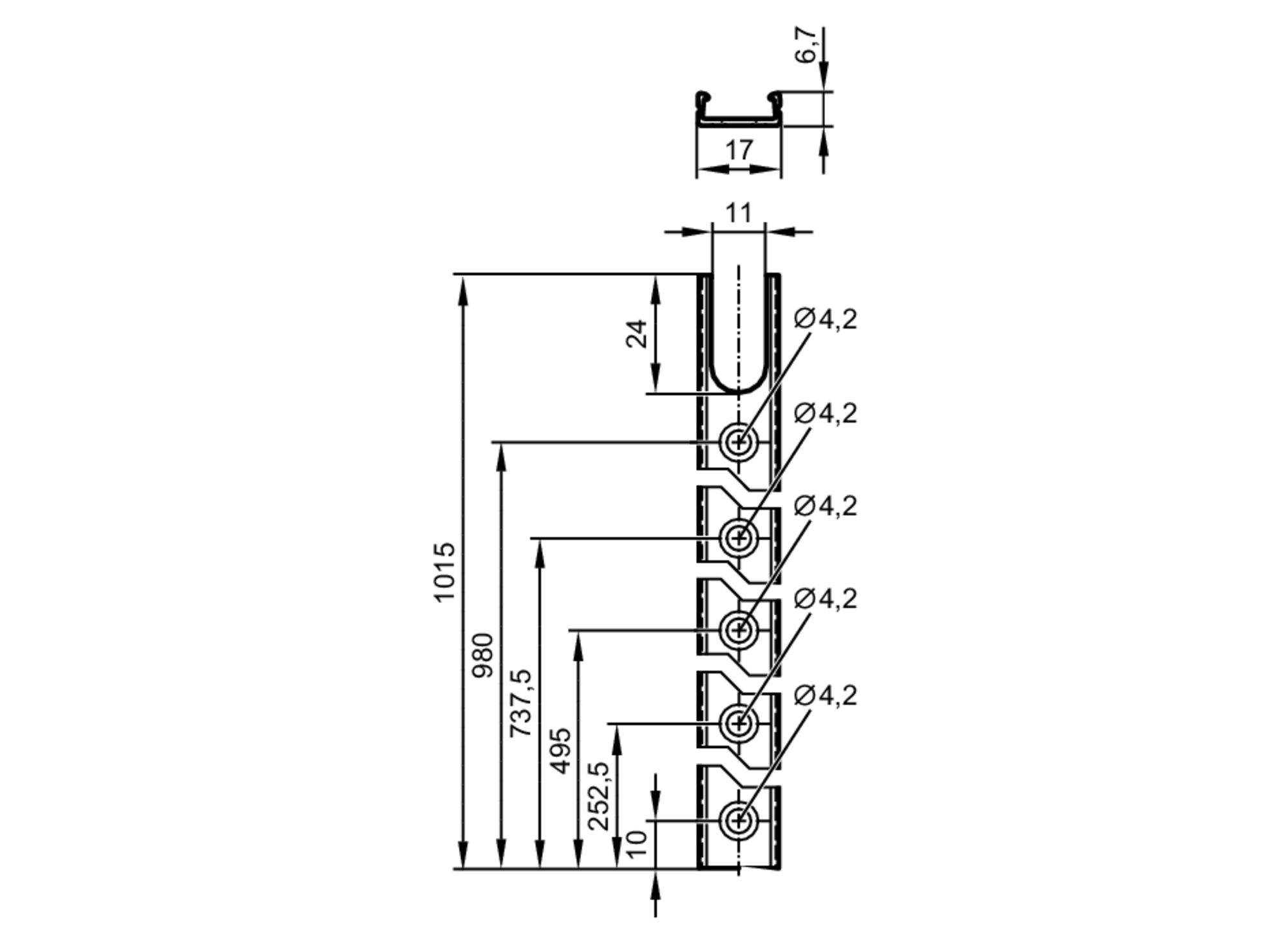
  4. アルミプロファイル
  5. E89034