• 製品
  • 産業別
  • IIoTソリューション
  • サービス
  • 会社案内
  1. 製品
  2. アクセサリ
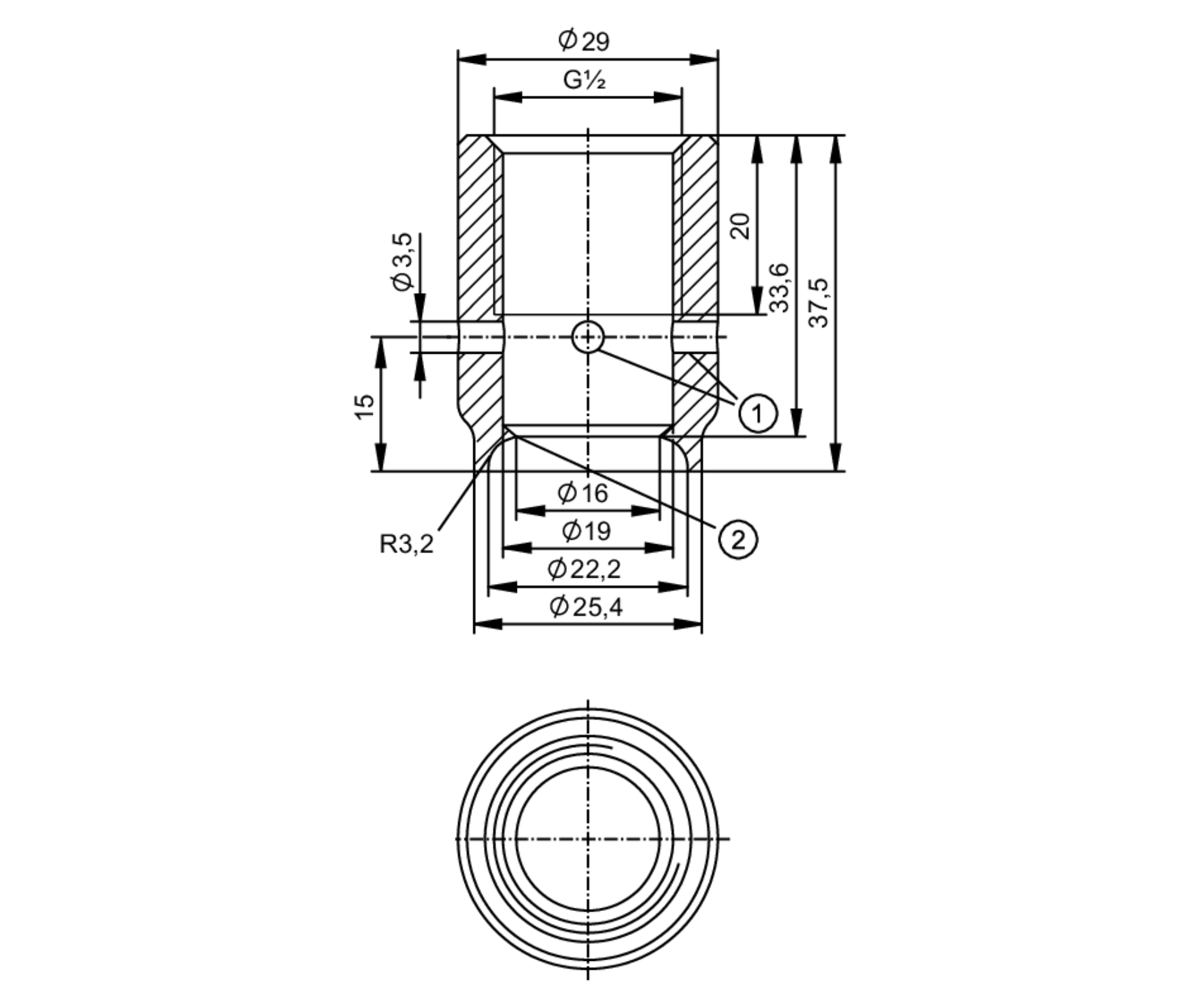
  3. プロセス接続アダプタ
  4. 溶接アダプタ
  5. E43412