• 製品
  • 産業別
  • IIoTソリューション
  • サービス
  • 会社案内
  1. 製品
  2. 電源
  3. 遮断器
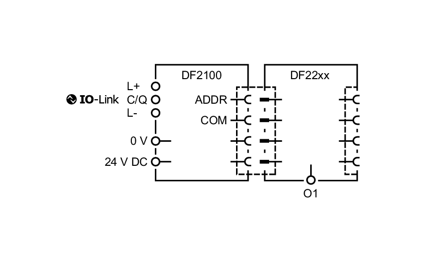
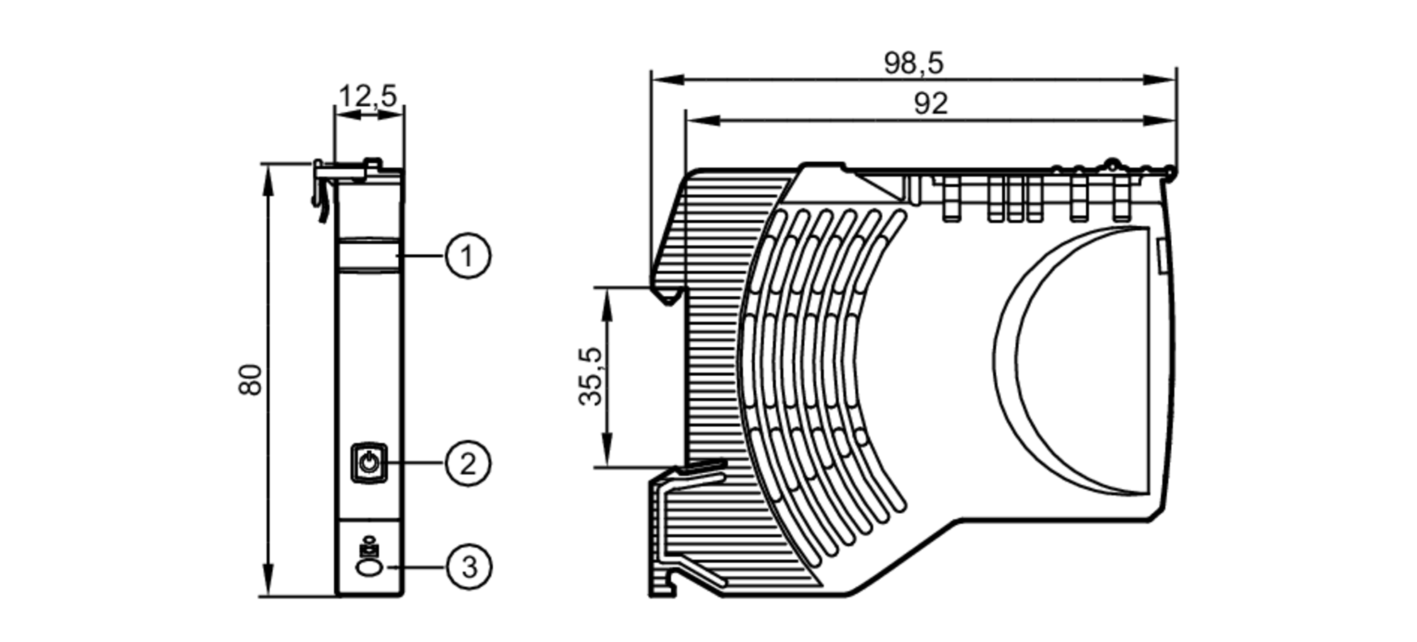
  4. DF2210