Søg
DK
Produkter
Brancher
IIoT & løsninger
Serviceydelser
Virksomhed
Produkter
Sensorer
Flow vagte, -switche / -transmittere
Systemer til forbrugsovervågning på trykluft samt industrielle gasser
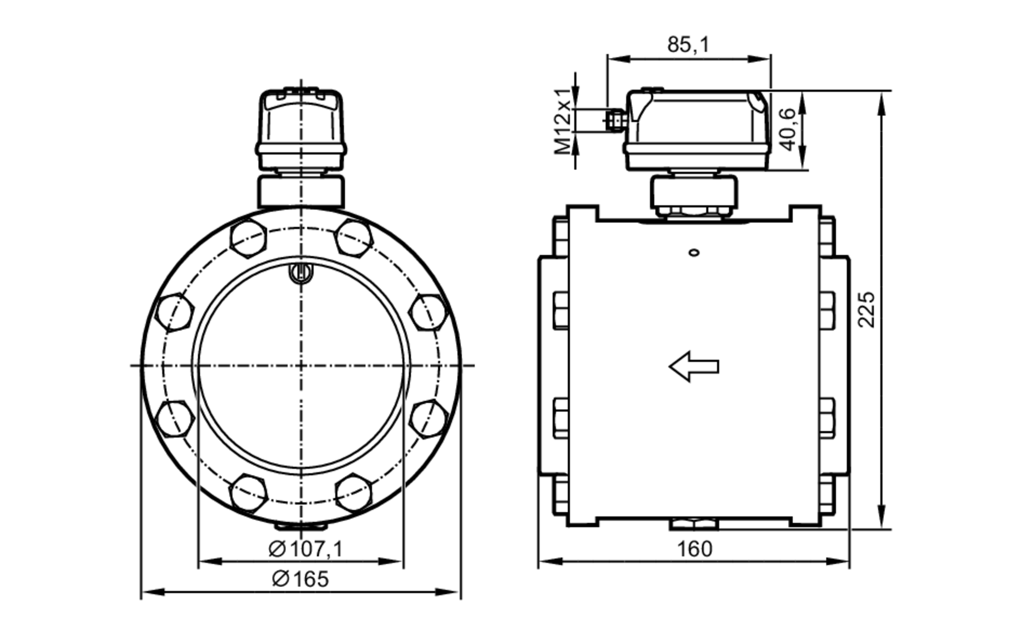
SDG550