• Výrobky
  • Odvětví
  • IIoT & Solutions
  • Servis
  • Společnost
  1. Produkty
  2. Příslušenství
  3. Adaptéry, procesní připojení
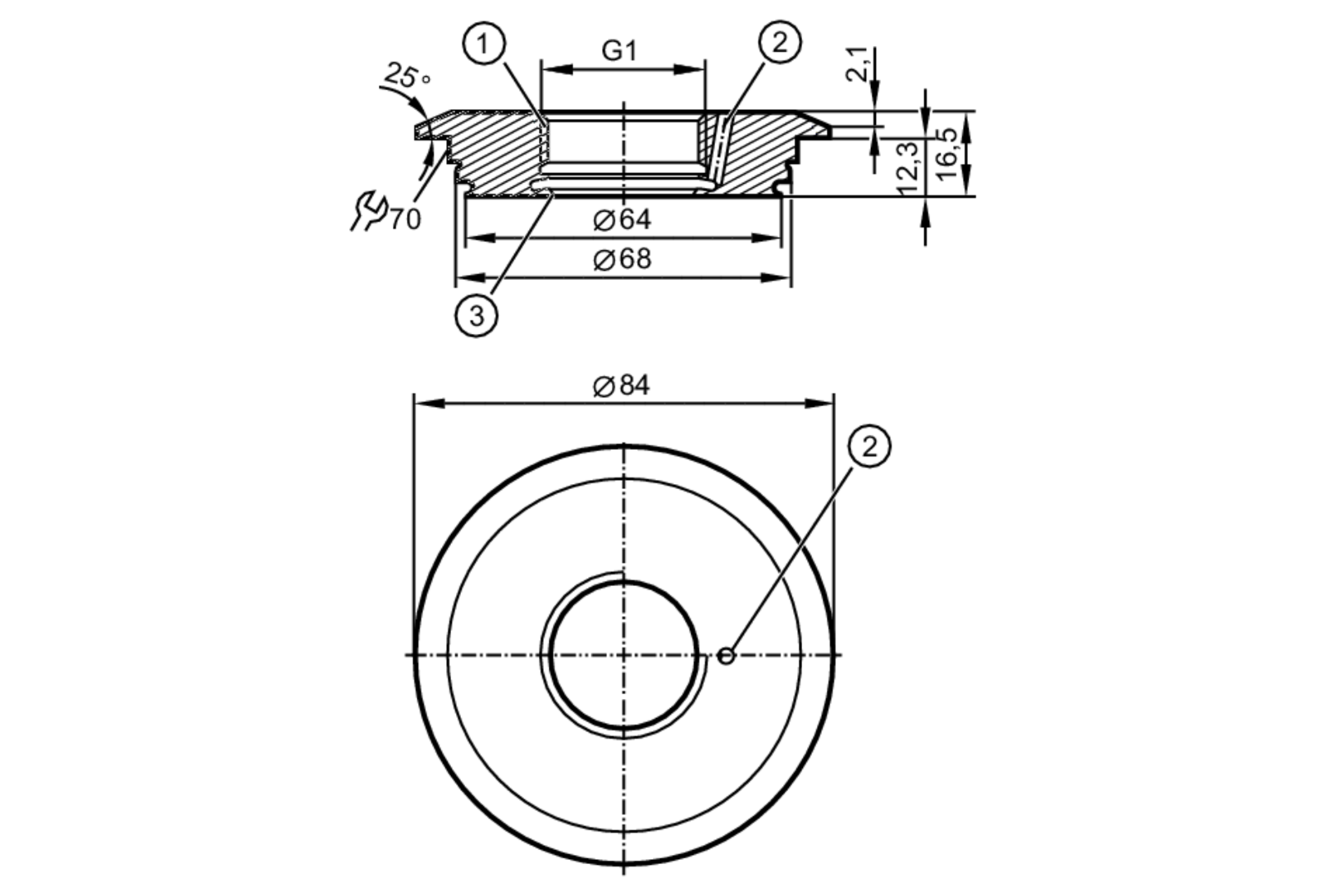
  4. Vestavný adaptér
  5. E33229