• Prodotti
  • Settori
  • IIoT & soluzioni
  • Servizi
  • Azienda
  1. Prodotti
  2. Accessori
  3. Accessori di montaggio e fissaggio
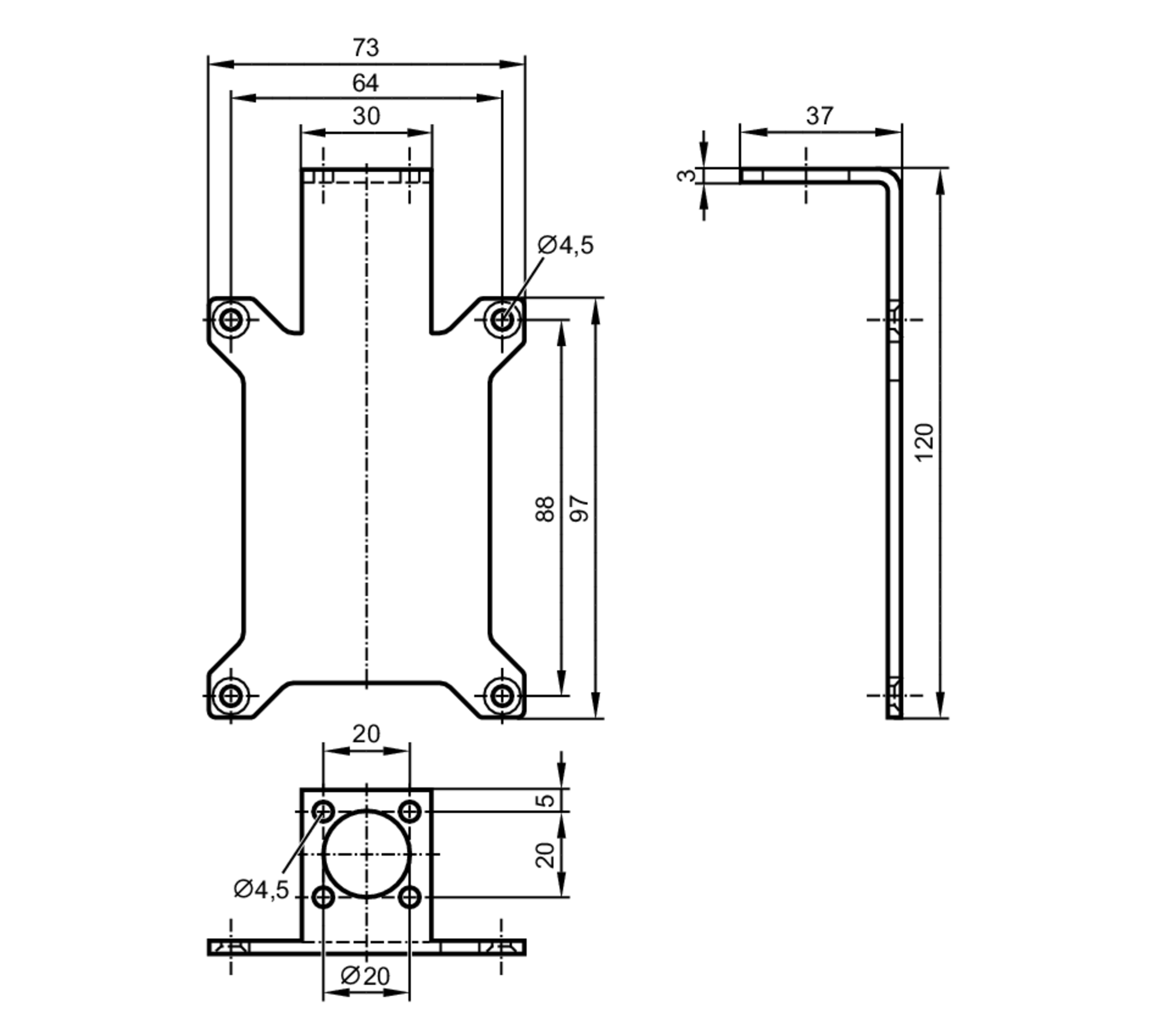
  4. Staffa di montaggio
  5. E80335