• Prodotti
  • Settori
  • IIoT & soluzioni
  • Servizi
  • Azienda
  1. Prodotti
  2. Accessori
  3. Adattatori, raccordo a processo
  4. Adattatore a saldare
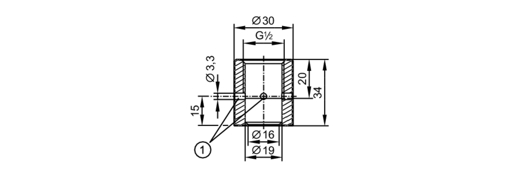
  5. E43309