• Produtos
  • Indústrias
  • IIoT e soluções
  • Assistência
  • Empresa
  1. Produtos
  2. Tecnologia de conexão
  3. Distribuidores Y
  4. Distribuidores Y
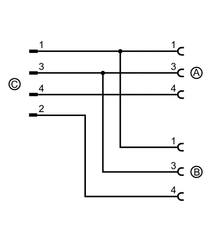
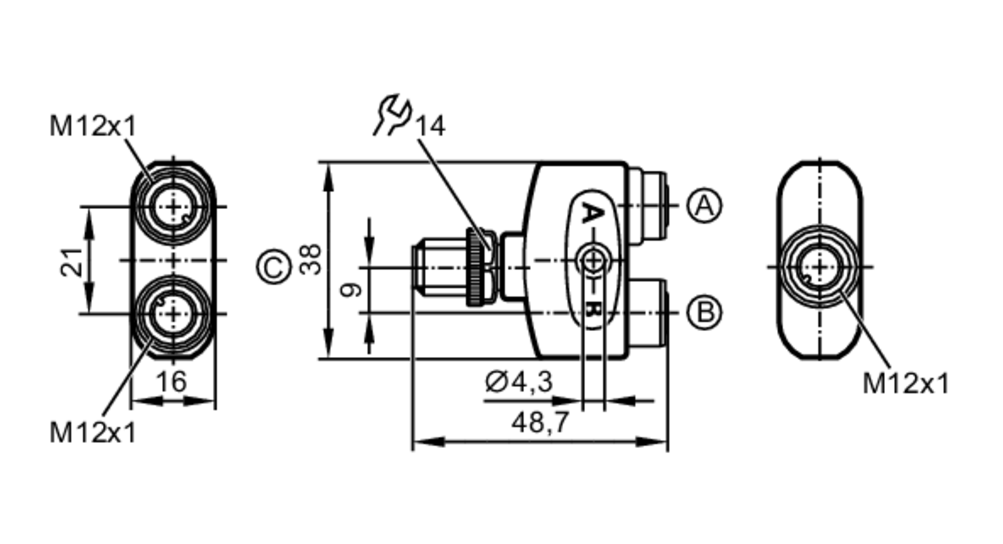
  5. EBC113