Iskanje
SI
Izdelki
Panoge
IIoT & rešitve
Storitve
Podjetje
Izdelki
Pribor
Montažni pripomočki in tehnologija za popravila
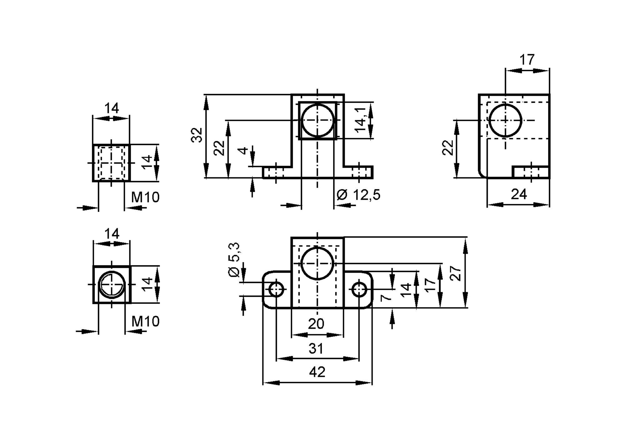
Navojne kocke za nameščanje aluminijastega profila
E20951