• Productos
  • Industrias
  • IIoT y soluciones
  • Servicios
  • Empresa
  1. Productos
  2. Sensores
  3. Detectores magnéticos
  4. Todos los detectores magnéticos
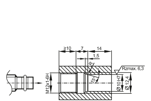
  5. MFH206