검색
KR
제품
산업계
IIoT & 솔루션
서비스
회사
제품
센서
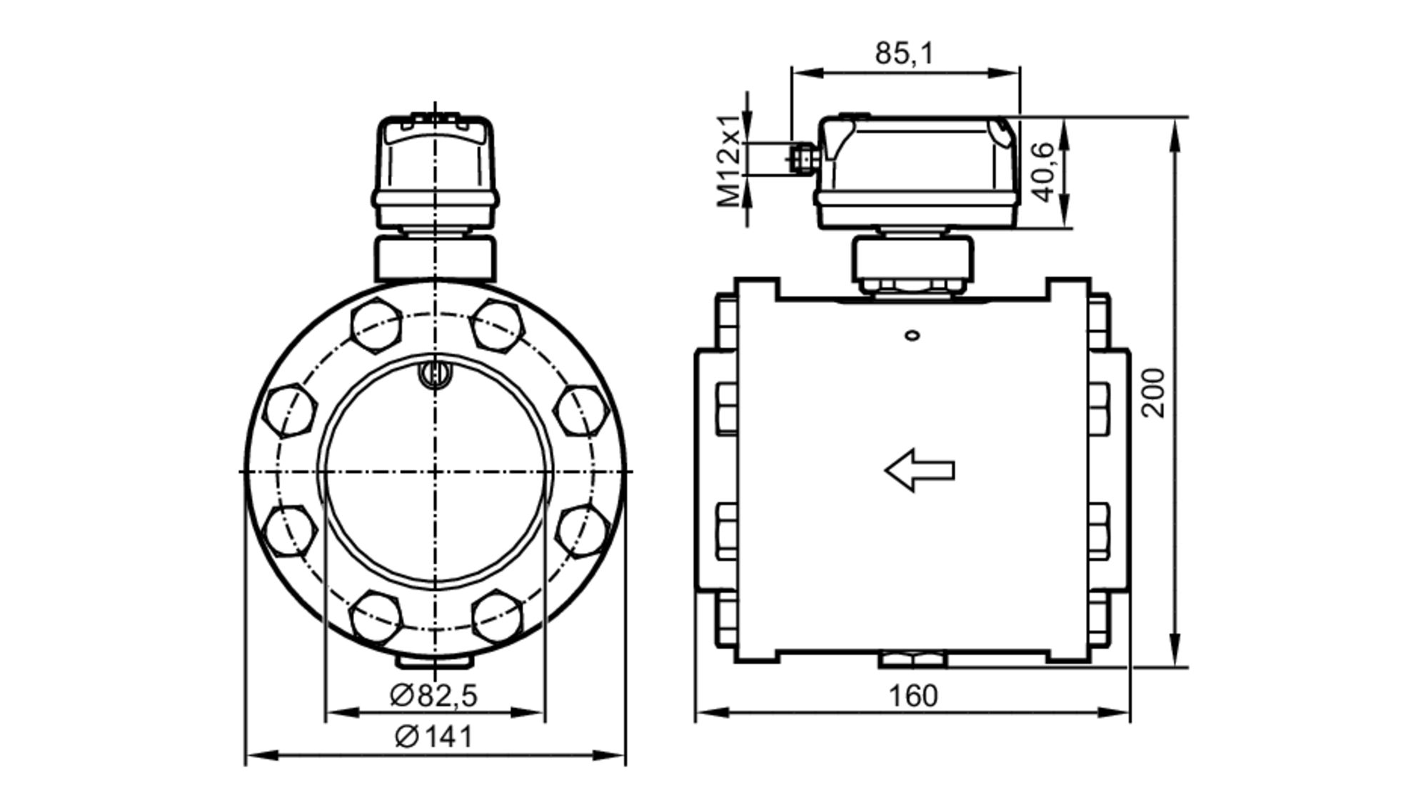
유량계 / 용적유량센서
압축공기 및 산업 가스 소모량 측정 시스템용
SDG450