• Products
  • Industries
  • IIoT & Solutions
  • Service
  • Company
  1. New products
  2. Accessories
  3. Relay plug for use in the field

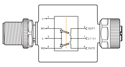
Relay plug for use in the field

  • Ideal for field applications thanks to protection class IP 67
  • Reliable M12 connection technology
  • 2-channel version Wear and bounce-free semiconductor relays
  • Electrical separation between input and output

Relay in the field instead of in the control cabinet

More and more components for automation technology are suitable for use in the field thanks to high IP protection and M12 connection technology. As a rule, they have semiconductor outputs with 24 V levels and maximum switching currents between 20 and 300 mA. If other voltages, higher switching currents or electrical separation are required, relays are a popular solution - for which, however, a detour via a control cabinet was necessary until now.

With the new relay plugs from ifm, field-compatible relays are now available which can be connected easily and reliably thanks to the M12 connection technology commonly used in the field. Due to their compact design, they can be screwed directly onto sensors, e.g. using a Y-adapter.

Safely separated

Thanks to the electrical separation between input and output, a 24 V DC signal at the input can switch another, independent voltage potential at the output.

Small switches big

The relay plug switches larger currents of up to 1 A on the output side with small currents, such as those available at the outputs of sensors.

Reliable and wear-free

The semiconductor relays used in the plug switch "cleanly", that is: no switching bounce, no welding of the contact surfaces and above all: no wear. This makes the relay extremely durable.

Easy connection

The direct connection to other devices in the field is made via robust and industrially compatible M12 connection technology. If required, an external power supply can be connected on the input side via EBC116 Y-splitter and on the output side via EVCA47 Y-connection cable.