Αναζήτηση
GR
Προϊόντα
Βιομηχανίες
IIoT και λύσεις
Υπηρεσία
Εταιρεία
Προϊόντα
Παρελκόμενα
Προσαρμογείς, σύνδεση διεργασίας
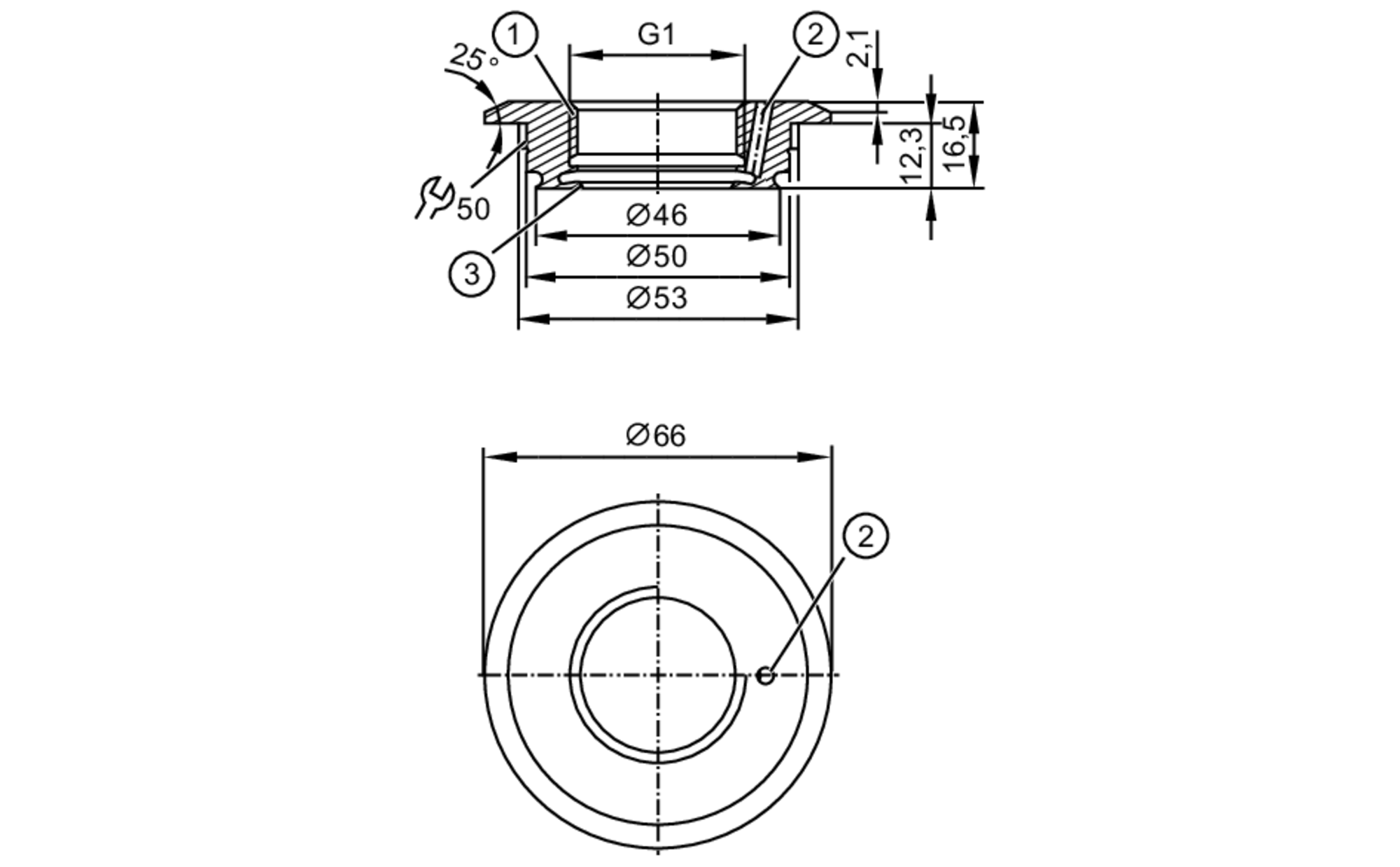
Προσαρμογείς εγκατάστασης
E33228