• Products
  • Industries
  • IIoT & Solutions
  • Service
  • Company
  1. Products
  2. Sensors
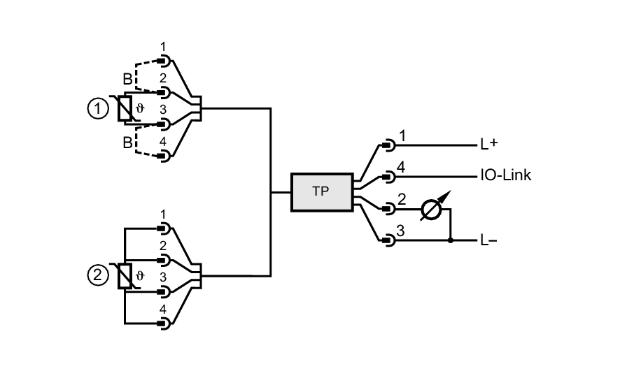
  3. Temperature sensors
  4. Temperature plugs
  5. TP9237