• Products
  • Industries
  • IIoT & Solutions
  • Service
  • Company
  1. Products
  2. Sensors
  3. Level sensors
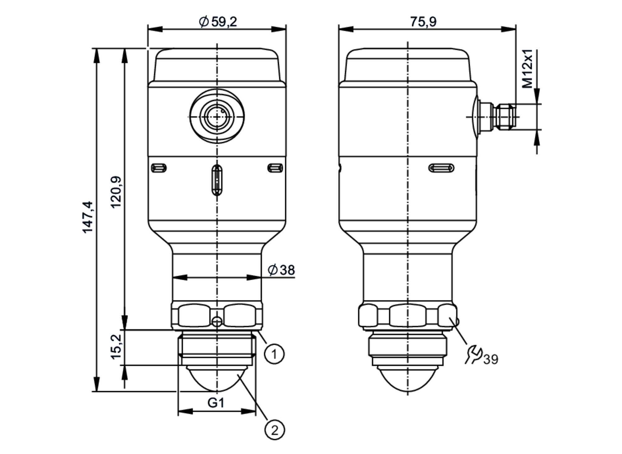
  4. Non-contact level measurement for hygienic applications
  5. LW2720