• Products
  • Industries
  • IIoT & Solutions
  • Service
  • Company
  1. Products
  2. Connection technology
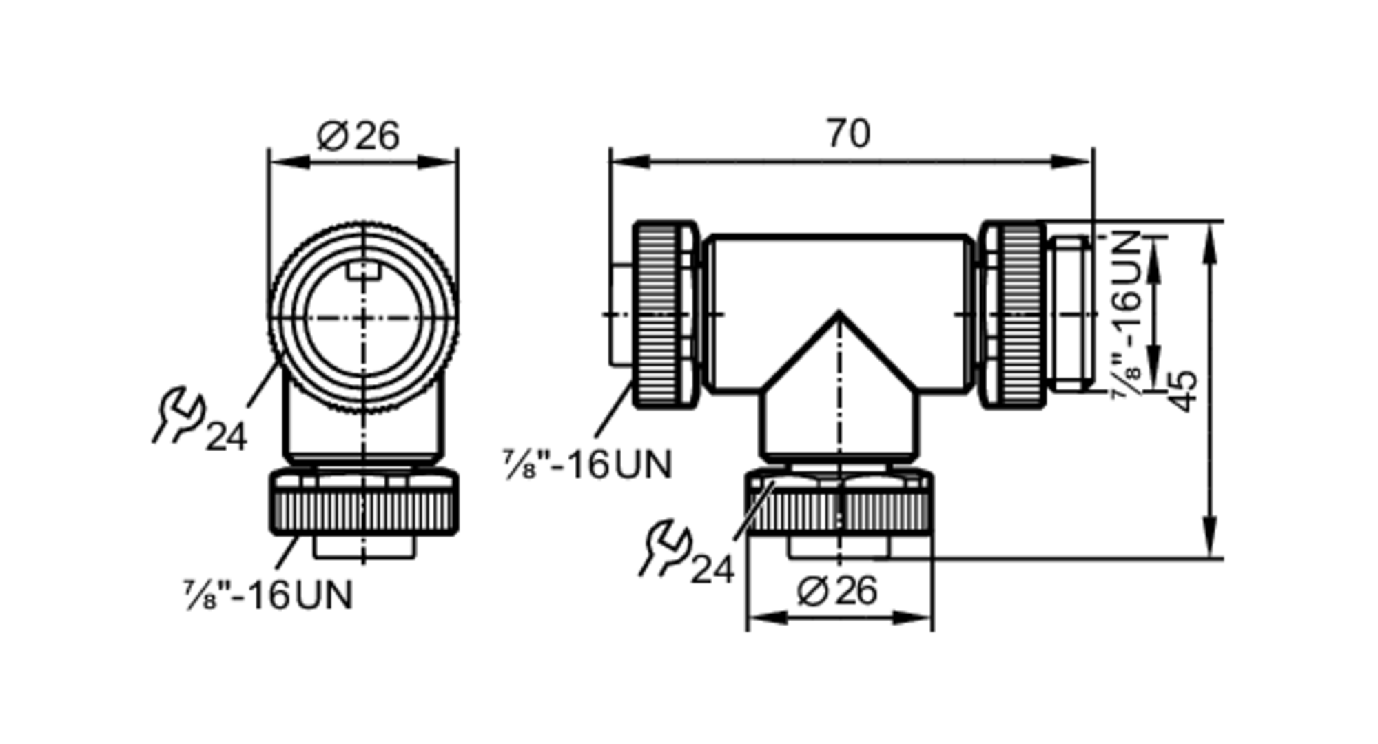
  3. Y-splitters
  4. Y-splitters
  5. E12777