• Produtos
  • Indústrias
  • IIoT e soluções
  • Assistência
  • Empresa
  1. Produtos
  2. Sensores
  3. Encoders
  4. Encoders incrementais
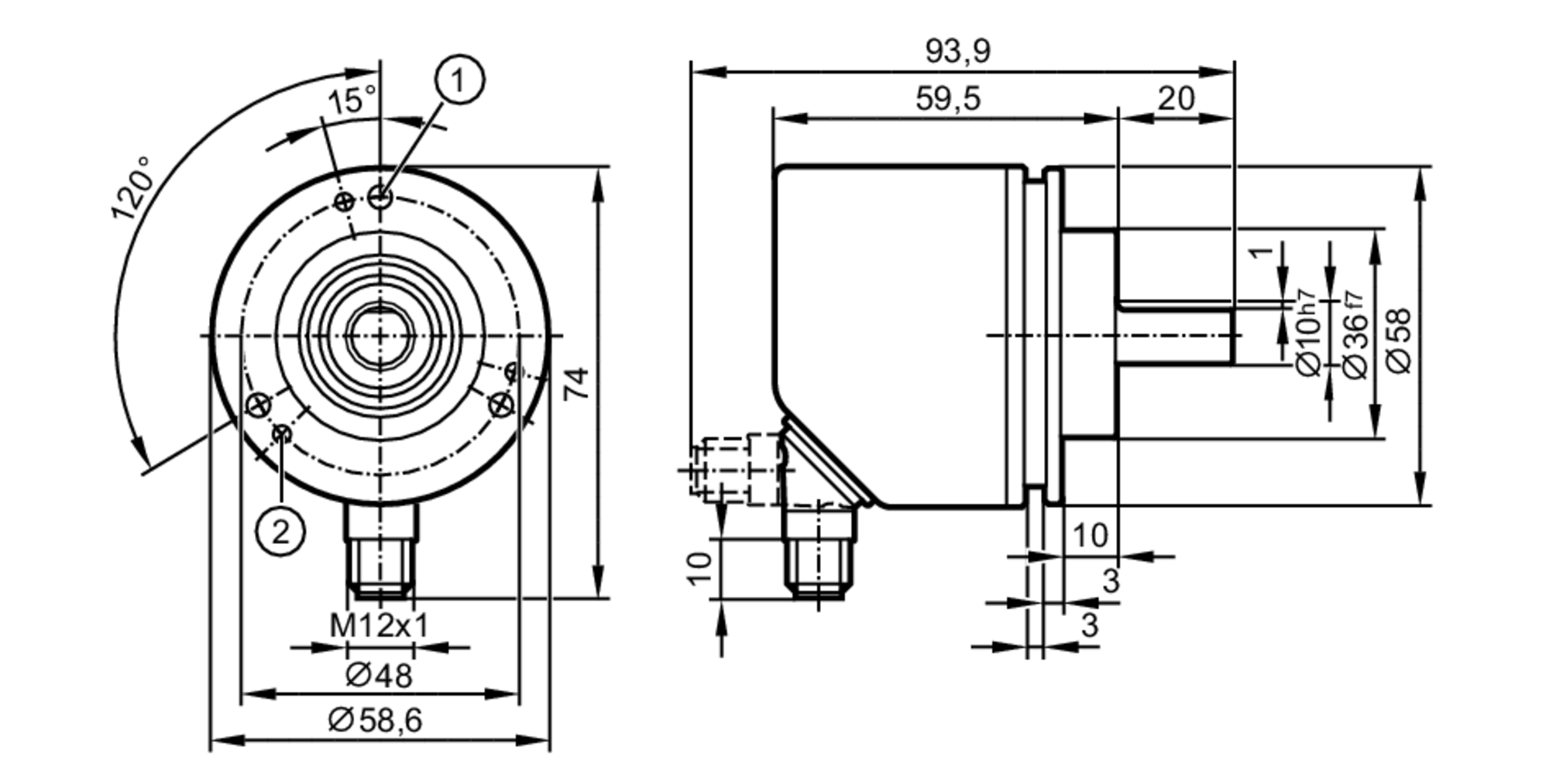
  5. RV3110