Zoeken
BE
Producten
Industrieën
IIoT & Oplossingen
Service
Company
Producten
Sensoren
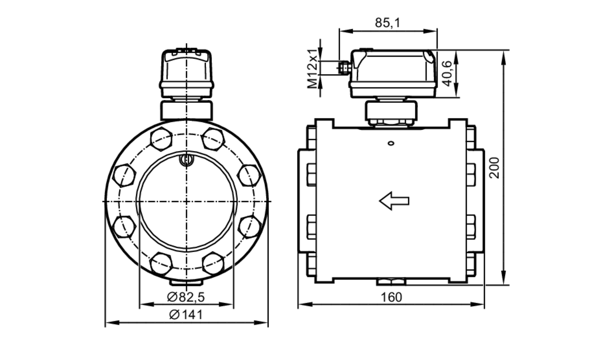
Stromingssensoren / flowtransmitters
Systemen voor meten gebruikshoeveelheden van perslucht- & industriegassen
SDG450