Search
US
Products
Markets
IIoT & Solutions
Company
Resources
Supply Chain Software
my ifm
Products
Condition monitoring
Systems for vibration monitoring and diagnostics
Vibration sensors and transmitters
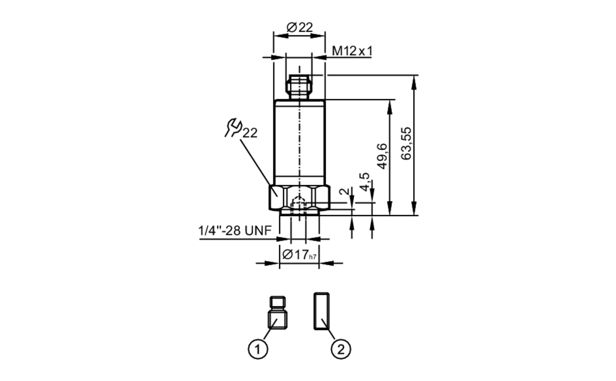
VVB001