• Products
  • Markets
  • IIoT & Solutions
  • Company
  • Resources
  • Supply Chain Software
  • my ifm
  1. Products
  2. Sensors
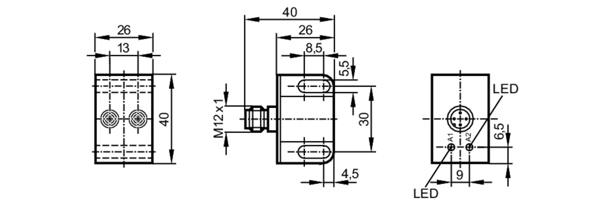
  3. Valve sensors
  4. Sensors for quarter-turn actuators
  5. IN5225