Пошук
UA
Продукти
Промисловості
IIoT & Рішення
Сервіс
Компанія
Продукти
Аксесуари
Адаптери, технологічне з'єднання
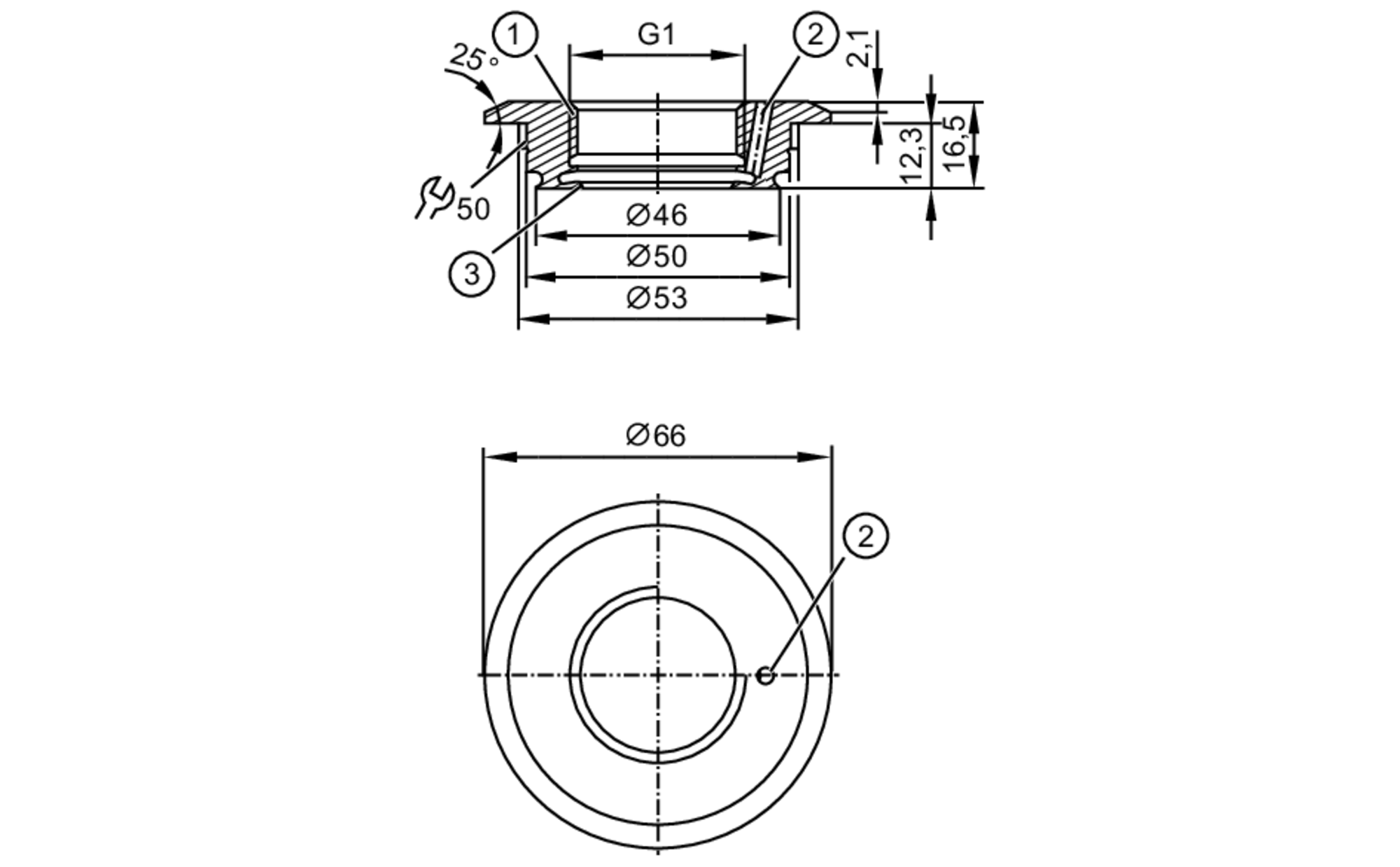
Монтажний адаптер
E33228