• Productos
  • Industrias
  • IIoT y soluciones
  • Servicios
  • Empresa
  1. Productos
  2. Accesorios
  3. Accesorios de montaje y sistemas de fijación
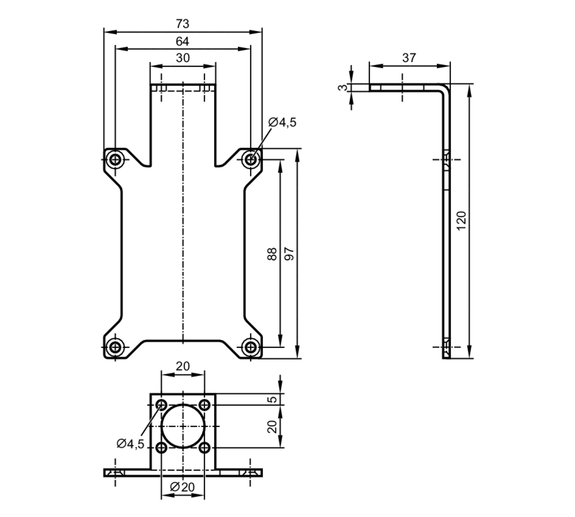
  4. Escuadra de fijación
  5. E80335