• Produits
  • Industries
  • IIoT & solutions
  • Services
  • Société
  1. Produits
  2. Accessoires
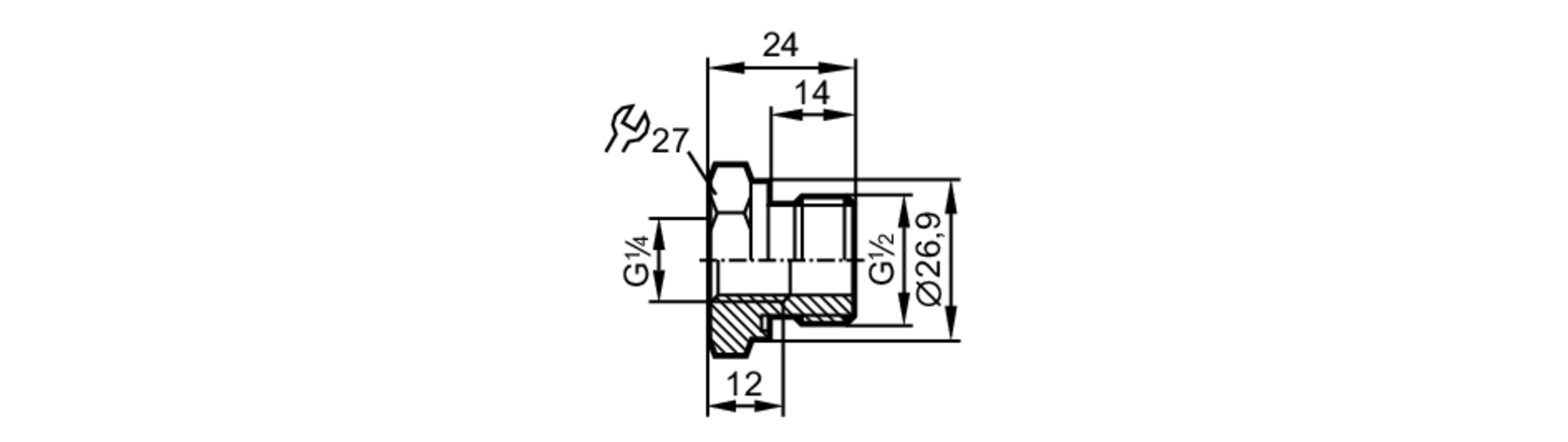
  3. Adaptateurs, raccordement au process
  4. Raccords
  5. E30135