Search
IN
Products
Industries
IIoT & Solutions
Service
Company
Products
Systems for mobile machines
Units for operation and monitoring
Robust HMI for basic applications
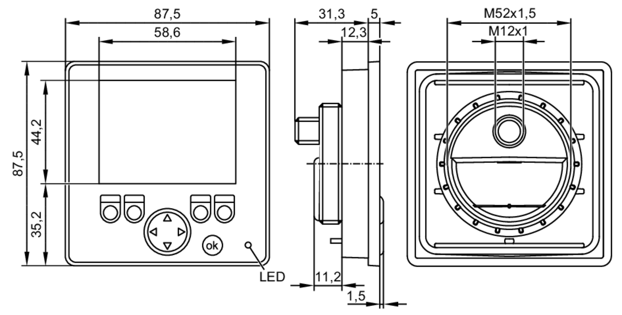
CR0451