Search
IL
Products
Industries
IIoT & Solutions
Service
Company
Products
Image processing / Identification
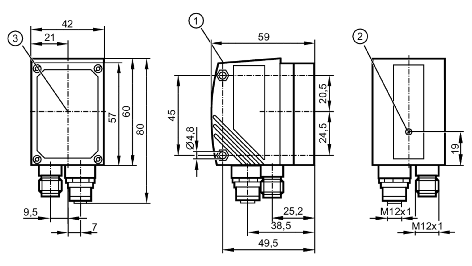
Vision sensors
2D vision sensors for object recognition and inspection
O2V125