• Productos
  • Industrias
  • IIoT y soluciones
  • Servicios
  • Empresa
  1. Productos
  2. Accesorios
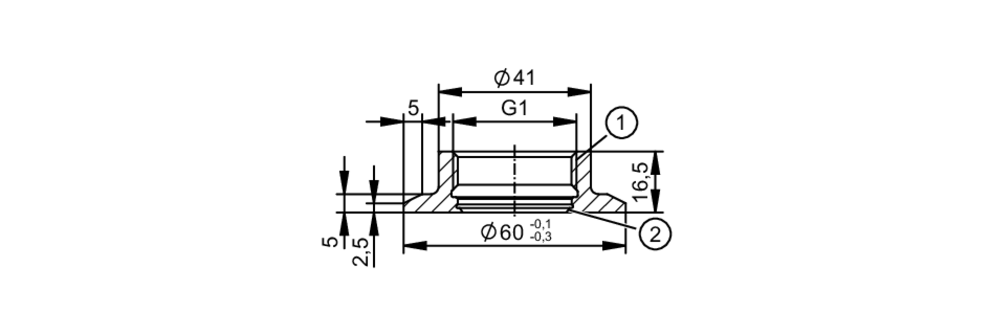
  3. Adaptadores, conexión de proceso
  4. Adaptadores a soldar
  5. E30150