• Productos
  • Industrias
  • IIoT y soluciones
  • Servicios
  • Empresa
  1. Productos
  2. Automatización móvil
  3. Pasarelas de bus de campo
  4. Pasarelas ISOBUS
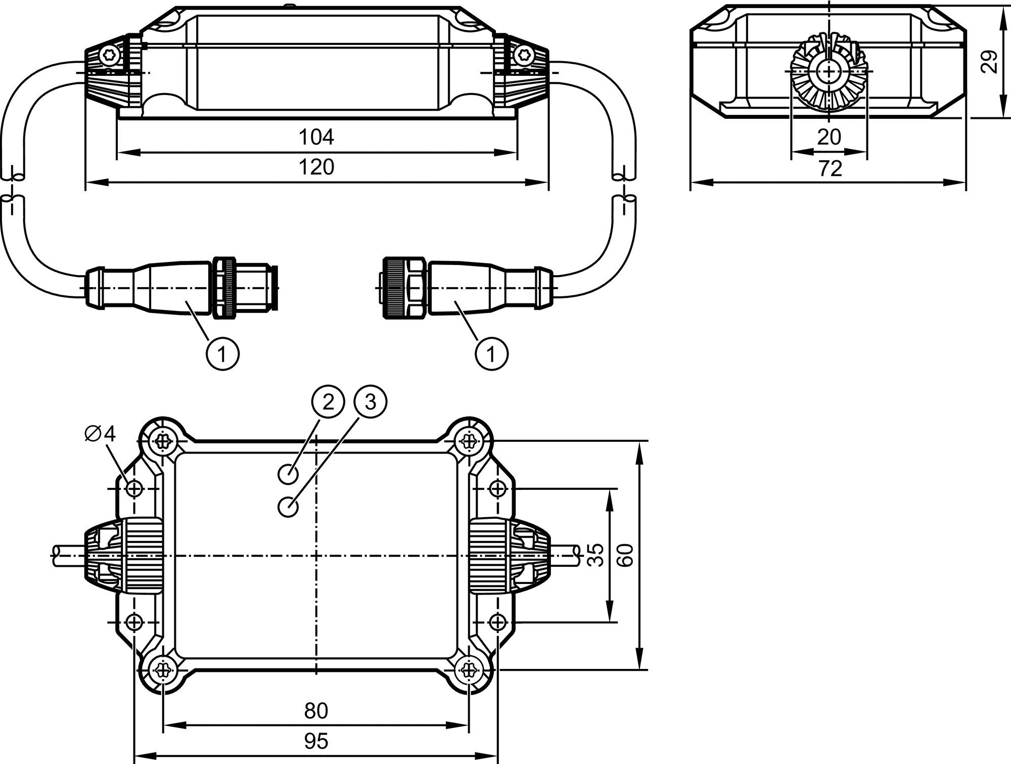
  5. CR3121