Buscar
CL
Productos
Industrias
IIoT y soluciones
Servicios
Empresa
Productos
Procesamiento de imágenes / identificación
RFID
Antenas para la conexión a unidades de evaluación
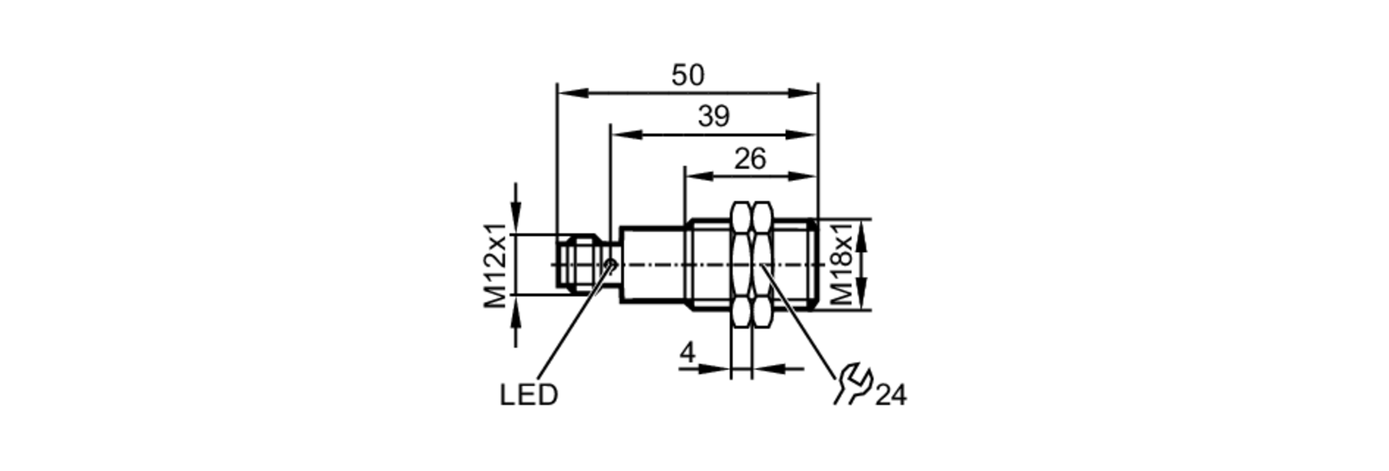
ANT420