• Produits
  • Industries
  • IIoT & solutions
  • Services
  • Société
  1. Produits
  2. Accessoires
  3. Adaptateurs, raccordement au process
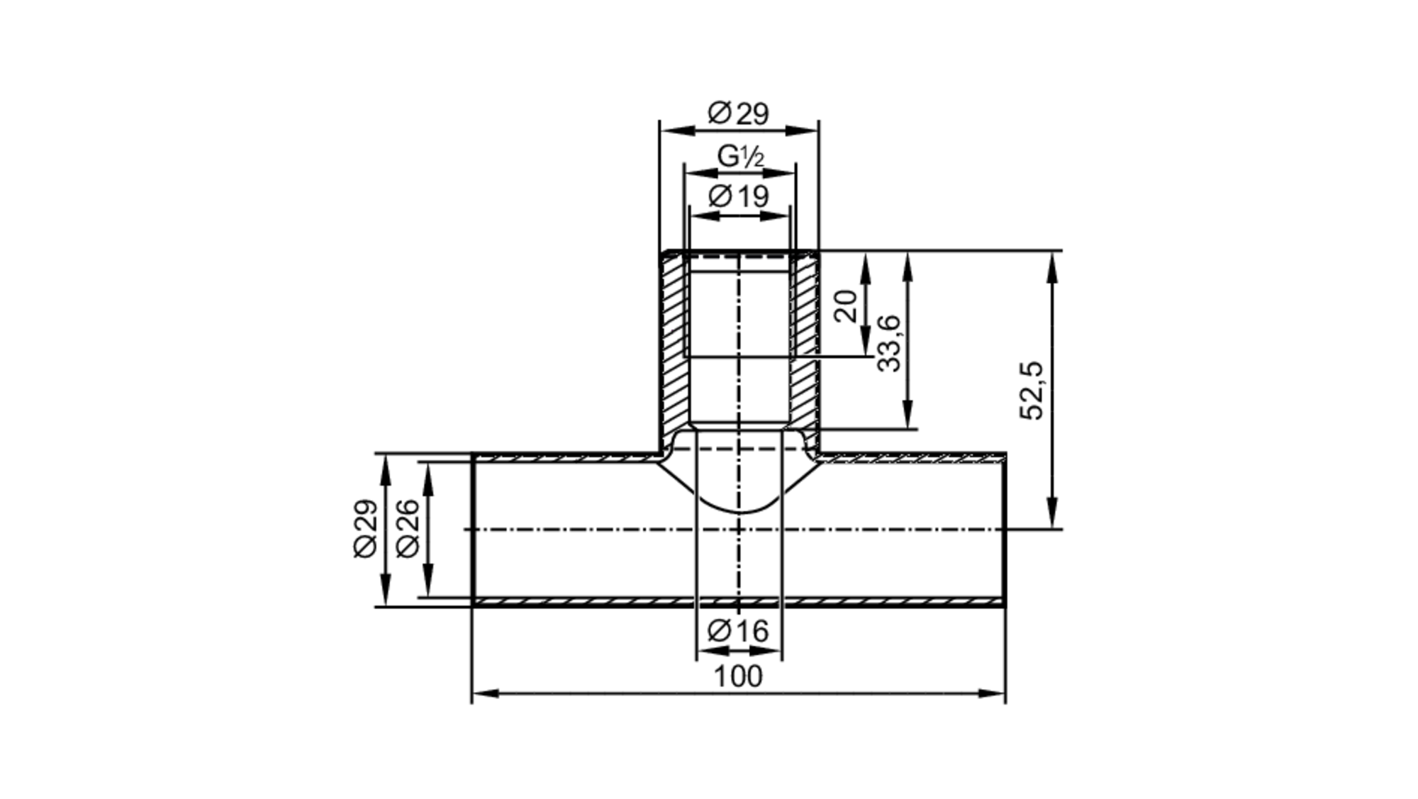
  4. Raccords en T
  5. E43316