• Produits
  • Industries
  • IIoT & solutions
  • Services
  • Société
  1. Produits
  2. Traitement d’images / identification
  3. Systèmes de vision 
  4. Systèmes de vision 
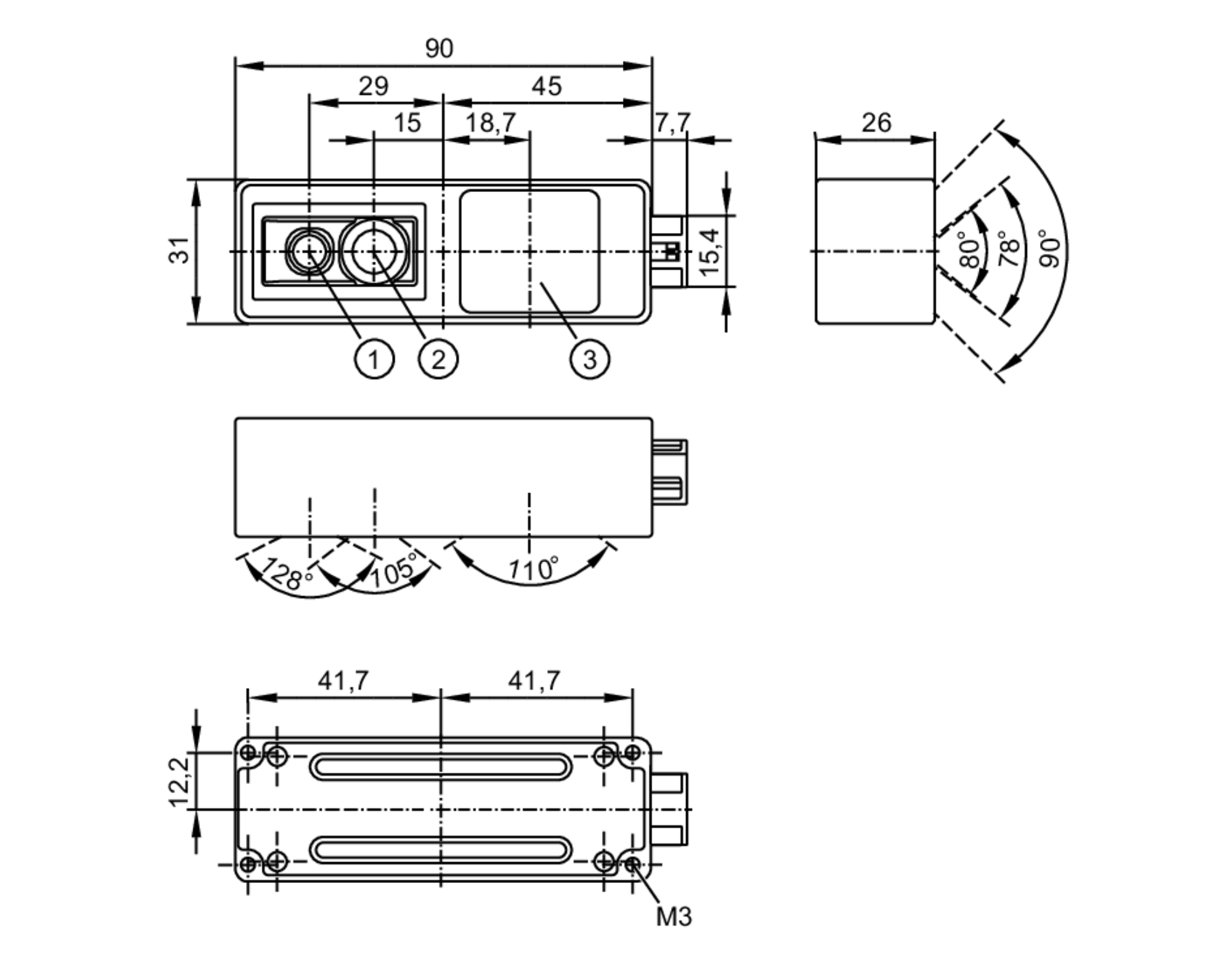
  5. O3R225