• Produits
  • Industries
  • IIoT & solutions
  • Services
  • Société
  1. Produits
  2. Capteurs
  3. Détecteurs inductifs
  4. Tous les détecteurs inductifs
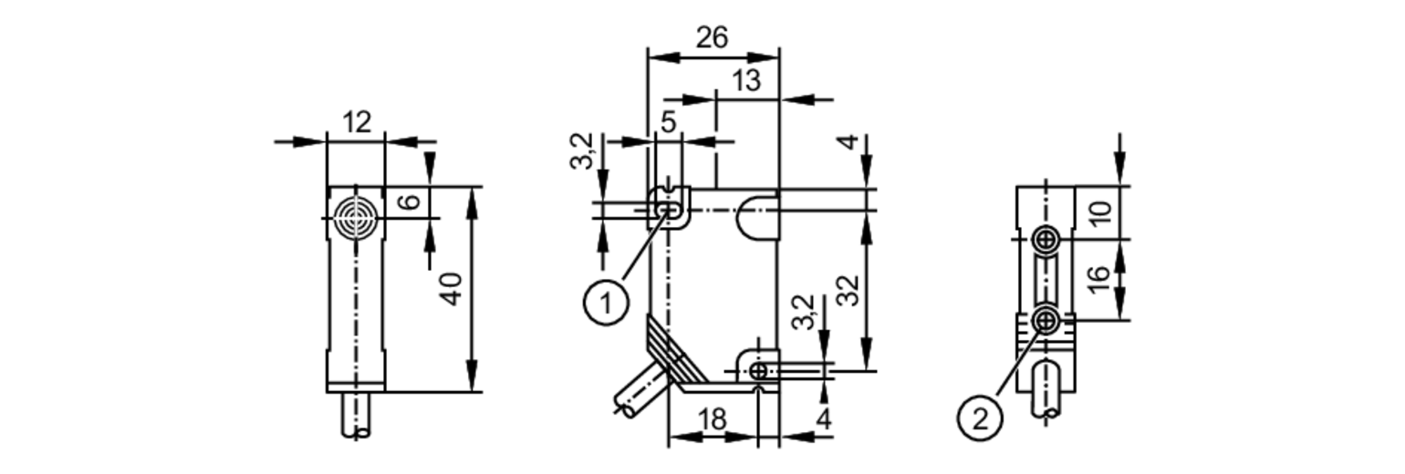
  5. NN5005