• Products
  • Industries
  • IIoT & Solutions
  • Service
  • Company
  1. Products
  2. Image processing / Identification
  3. Cameras
  4. 3D cameras
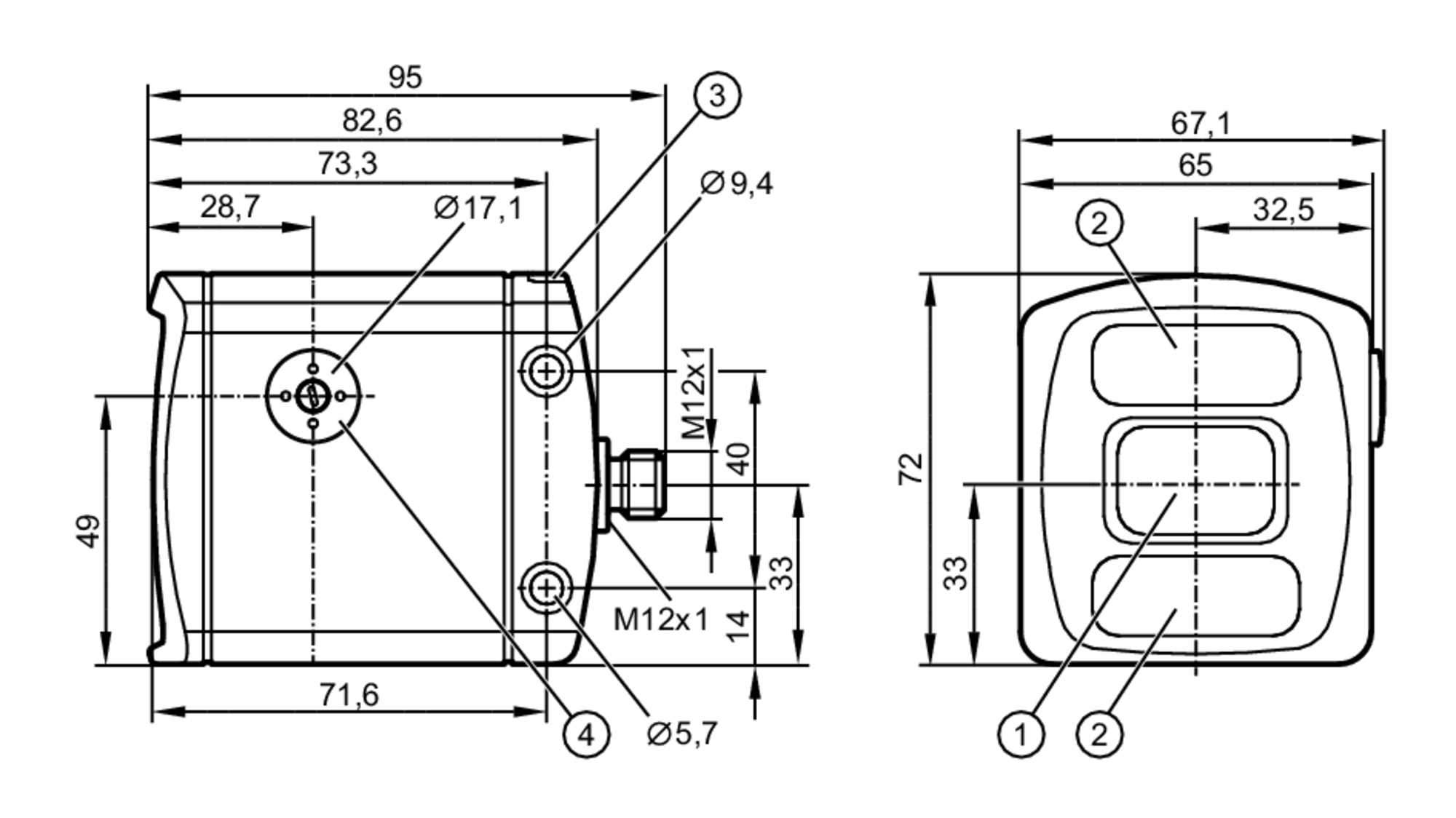
  5. O3DP21