Search
CA
Products
Industries
IIoT & Solutions
Service
Company
Products
Accessories
Adapters, process connection
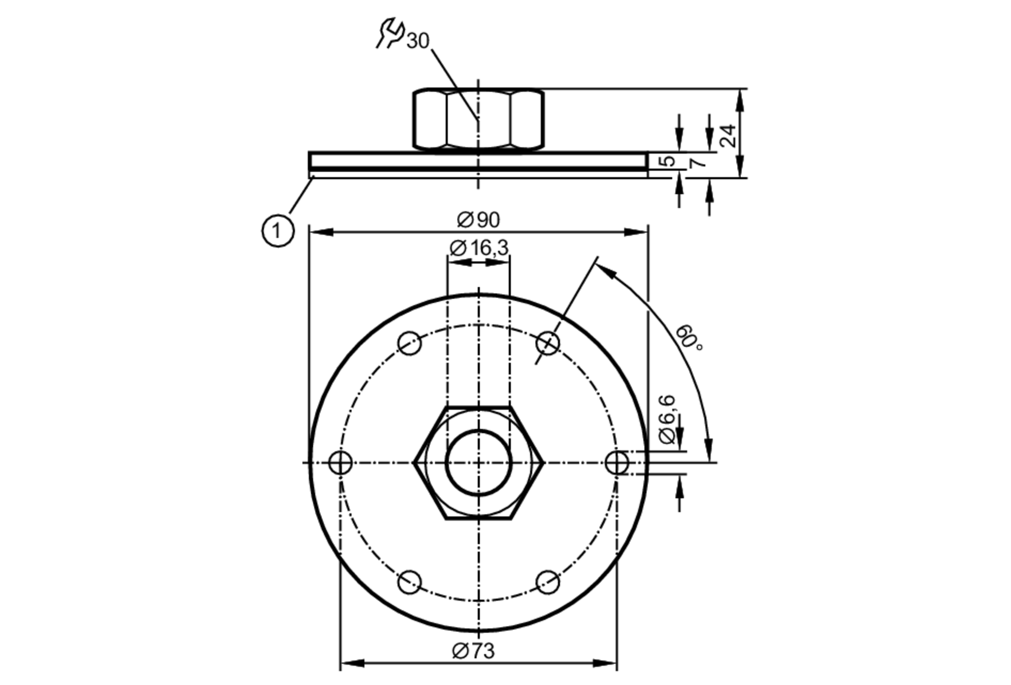
Flange plates for level sensors
E43001