• Products
  • Industries
  • IIoT & Solutions
  • Service
  • Company
  1. Products
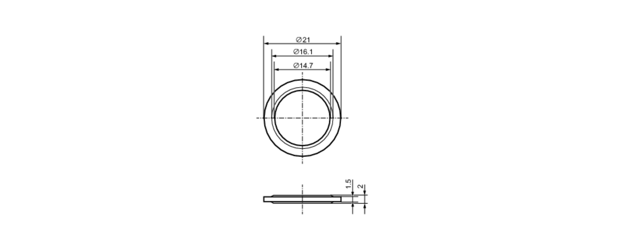
  2. 8E0514