Search
AU
Products
Industries
IIoT & Solutions
Service
Company
Products
Sensors
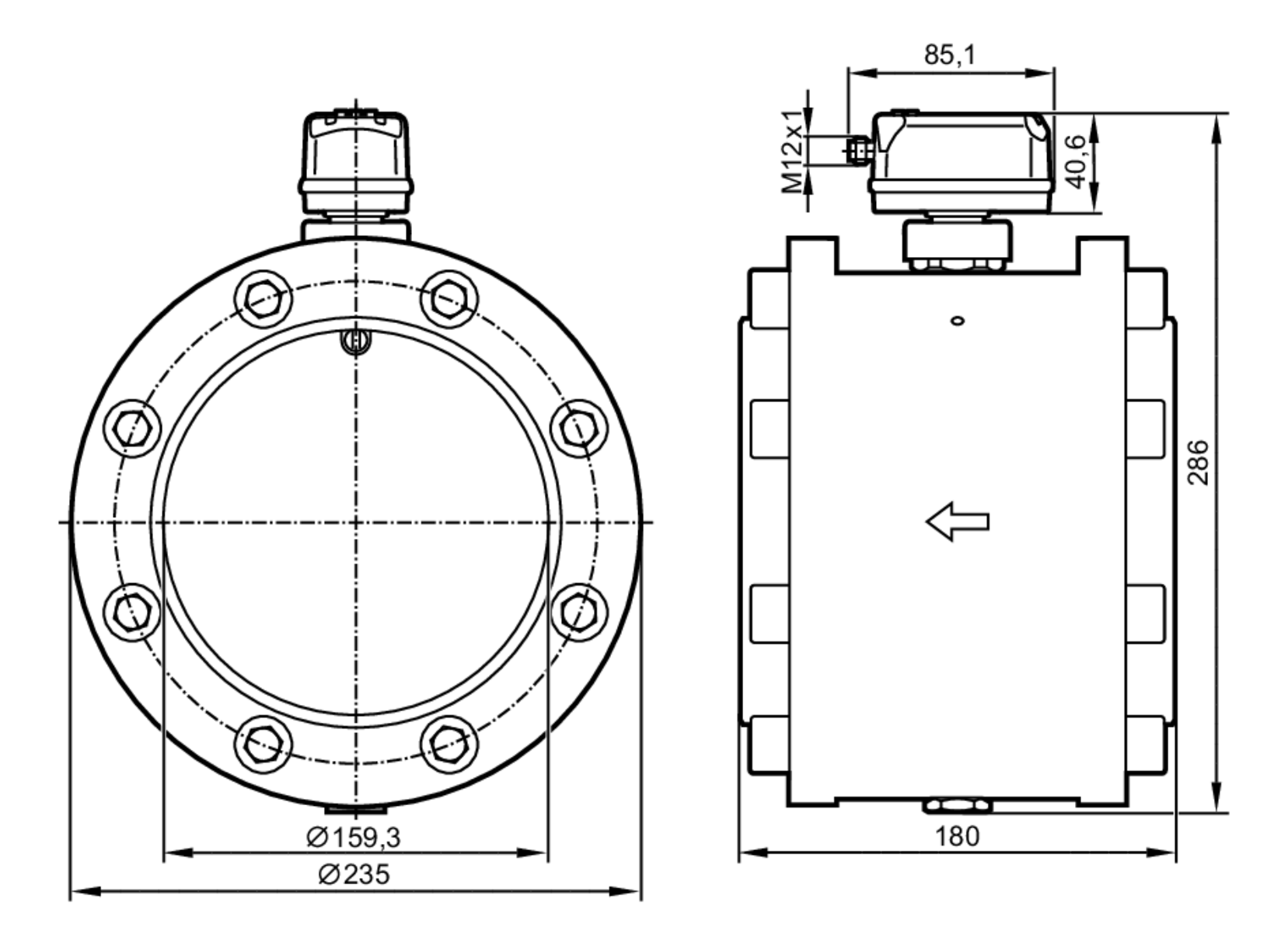
Flow sensors / flow meters
Systems for the consumption measurement of compressed air & industrial gases
SDG750