Search
AU
Products
Industries
IIoT & Solutions
Service
Company
Products
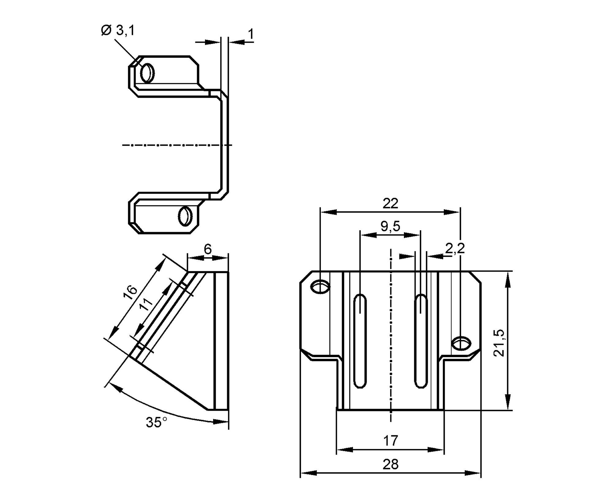
E19677