Search
AU
Products
Industries
IIoT & Solutions
Service
Company
Products
Accessories
Actuators, targets, magnets and tags
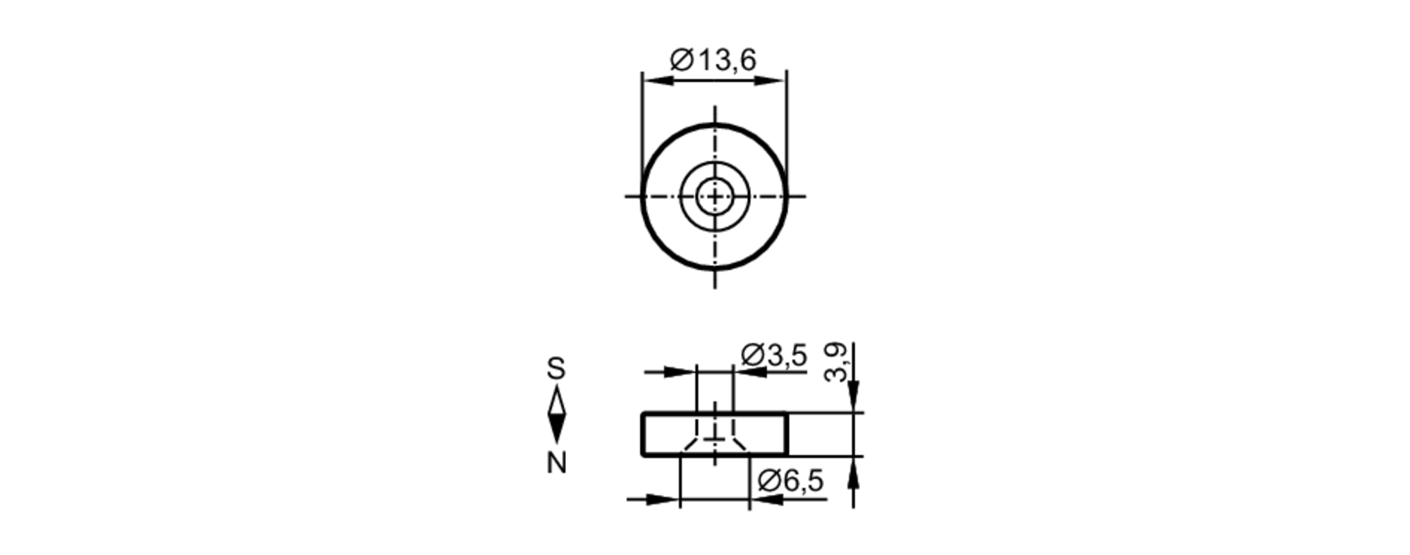
Damping magnets
E12537