• Produkte
  • Industrien
  • IIoT & Lösungen
  • Service
  • Unternehmen
  1. Produkte
  2. Sensoren
  3. Induktive Sensoren
  4. Alle induktiven Sensoren
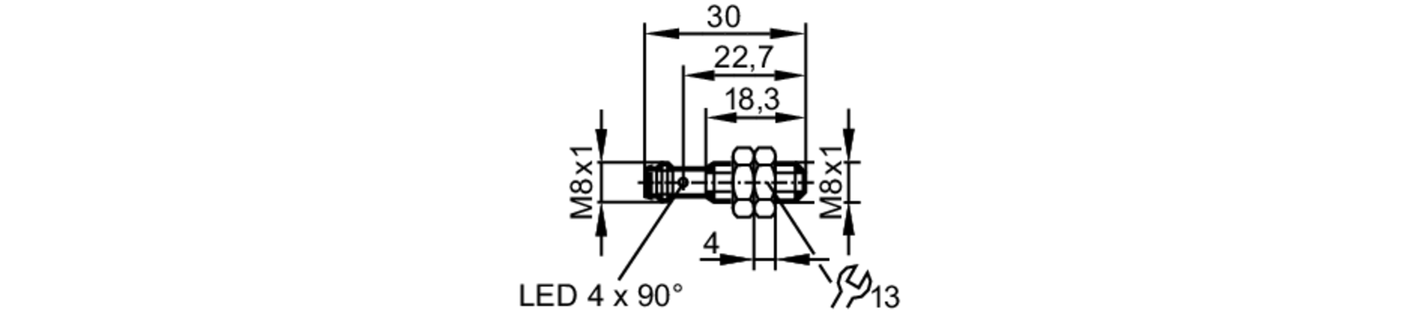
  5. IES221