• Produkte
  • Industrien
  • IIoT & Lösungen
  • Service
  • Unternehmen
  1. Produkte
  2. Sicherheitstechnik
  3. Induktive Sicherheitssensoren
  4. Induktive Sicherheitssensoren
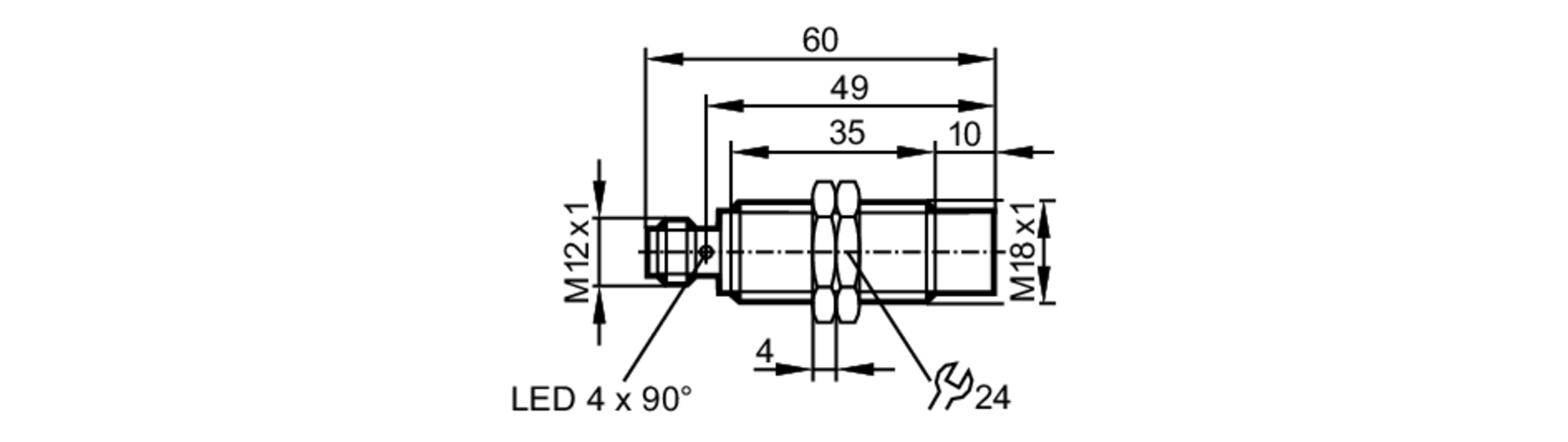
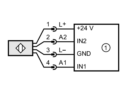
  5. GG854S