• Produkte
  • Industrien
  • IIoT & Lösungen
  • Service
  • Unternehmen
  1. Produkte
  2. Zubehör
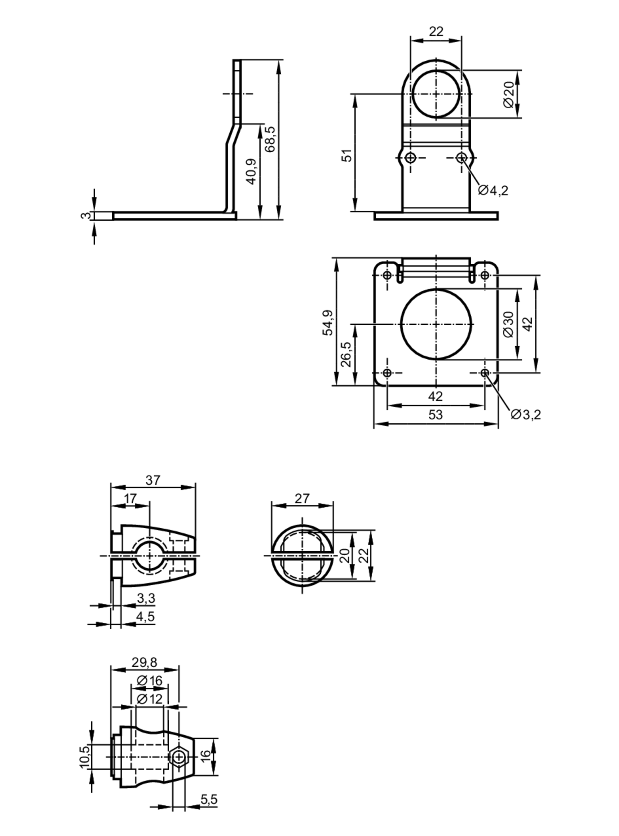
  3. Montagezubehör und Befestigungstechnik
  4. Montagesets
  5. E2D501