Buscar
AR
Productos
Industrias
IIoT y soluciones
Servicios
Empresa
Productos
Tecnología de seguridad
Detectores de seguridad codificados magnéticamente y por RFID
Detectores RFID
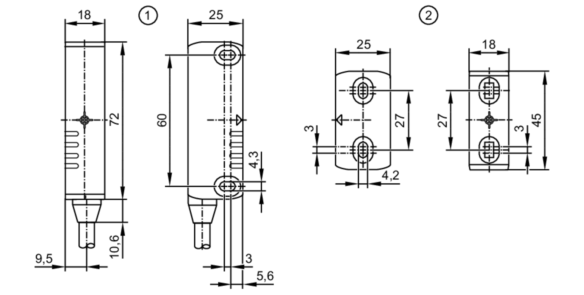
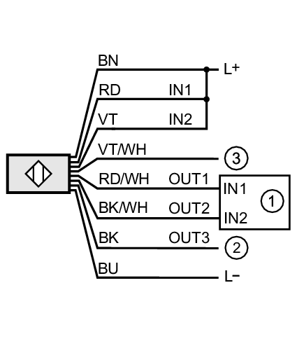
MN705S