• Productos
  • Industrias
  • IIoT y soluciones
  • Servicios
  • Empresa
  1. Productos
  2. Accesorios
  3. Accesorios de montaje y sistemas de fijación
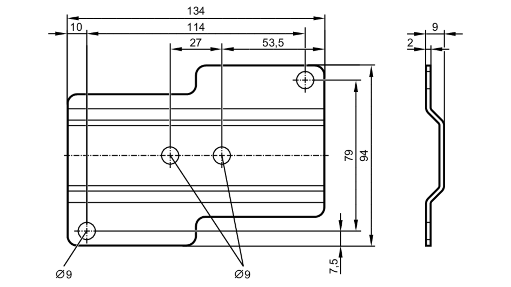
  4. Placas de montaje
  5. EM0012