• Productos
  • Industrias
  • IIoT y soluciones
  • Servicios
  • Empresa
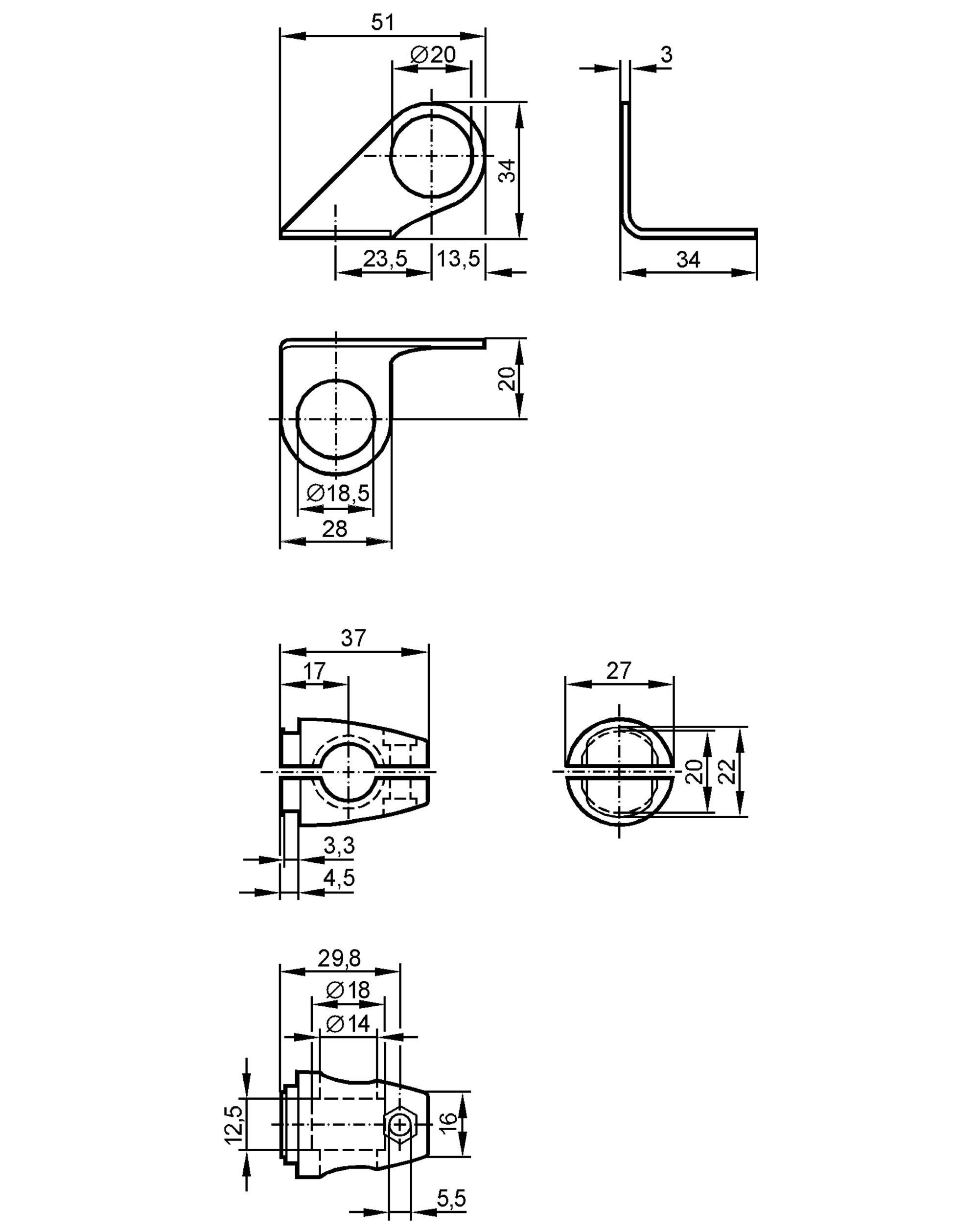
  1. Productos
  2. Accesorios
  3. Accesorios de montaje y sistemas de fijación
  4. Sets de montaje
  5. E20836