Search
AE
Products
Industries
IIoT & Solutions
Service
Company
Products
Sensors
Pressure sensors / Vacuum sensors
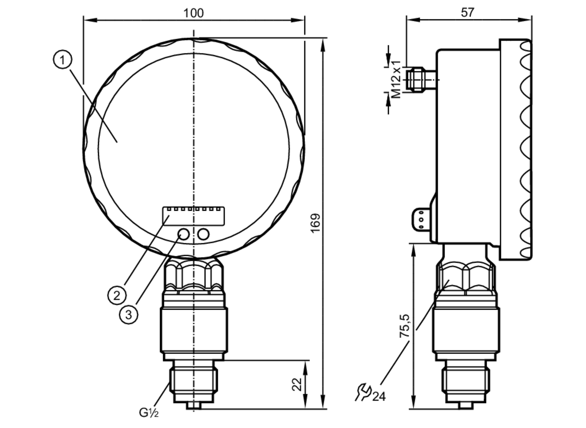
Electronic contact manometers with analogue display
PG2454